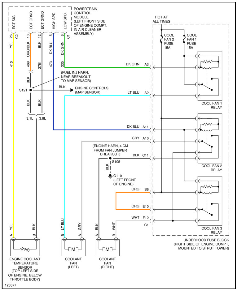
Radiator, radiator cap, cooling fans, water pump, heater core, engine temperature sensor, and relays.
After replacing/checking the above my cooling fans will now come on. But only when the A/C is running. They however still will not turn on when overheating. It will redline and the fans still will not turn on unless I run the A/C.
Tuesday, May 10th, 2022 AT 5:11 PM
