Sunday, October 13th, 2024 AT 1:15 PM
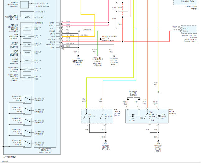
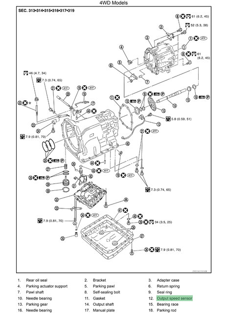
Replaced valve body and crushed speed sensor took transfer case off to replace it and the new speed sensor looks different than the old one it clips in but wiggles in and out. I bought another two, but it was the same thing clips are different is it wiggling, okay? Do I need an extra part? Or is it the wiring sensor?








