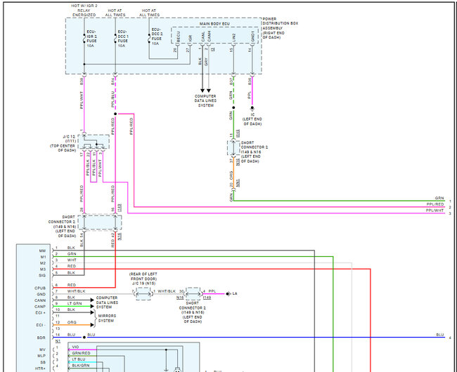
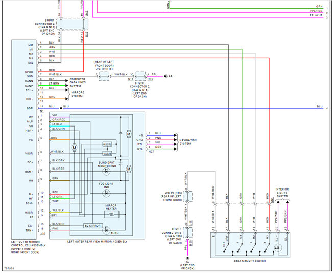
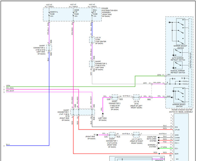
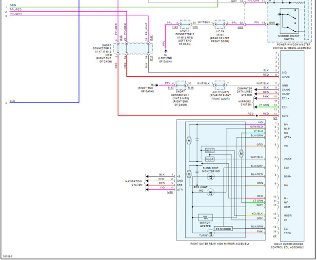
I'm having an issue with my Lexus LX600 — after a recent car wash, the outer side mirror has stopped working. It’s not folding or adjusting anymore. I suspect it might be a wiring or electrical issue, possibly due to water exposure.
I'd really appreciate any guidance on how to troubleshoot this. If anyone has access to the wiring diagram for the side mirrors (or can point me in the right direction), that would be a huge help as well.
Thanks in advance!
Thursday, April 10th, 2025 AT 12:40 PM





