Engine cranks but does not start. Here's what I've done:
Tested fuel pump with 12v battery, fuel pump working. New fuel pump
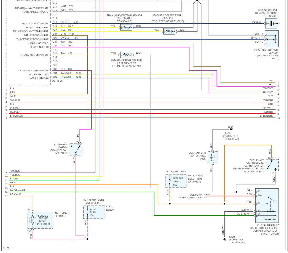
Fuel does not reach fuel filter nor do I hear fuel pump priming. Tested voltage at fuel pump connector has 8.5 volts with ignition on.
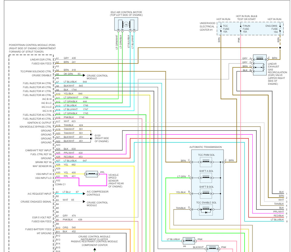
With ignition on tested voltage at fuel pump relay. Using pin 85 as ground, I got 10.94v on pin 86, 7.52 volts on pin 87a and 0 volts on pin 30.
With ignition on 20amp fuse #3 (Powertrain Control Module (PCM), Fuel Pump/Oil Pressure Switch, Fuel Pump Relay, Fan Control #1 Relay) I get 10.94 volts.
I don't have wiring diagram for ECM so I don't know where to test voltage at this source.
I haven't check spark or starter.
Buick dealer says car will crank but not start if VAT isn't coded correctly. Is this correct?
Will incorrect VAT configuration also reduce voltage to fuel pump relay and thus reduce voltage to fuel pump?
Is there something else I need to check?
Thursday, August 10th, 2023 AT 8:30 PM









