Friday, July 5th, 2024 AT 6:49 AM
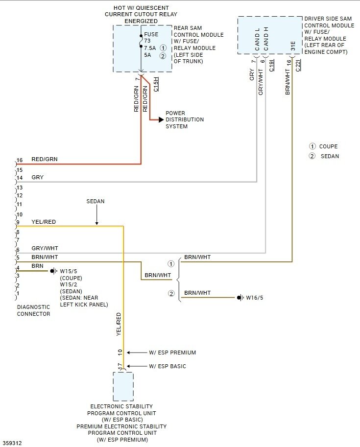
(Actual model E550) My OBDII Port is not working with Progressive Ins. Tracking module. I've changed the documented fuse. (73 5a) I've tested the tracking module on another vehicle. Is there another fuse associated with the OBDII port? Can you suggest other possible causes for the malfunction? TIA





