Sunday, December 17th, 2023 AT 1:38 PM
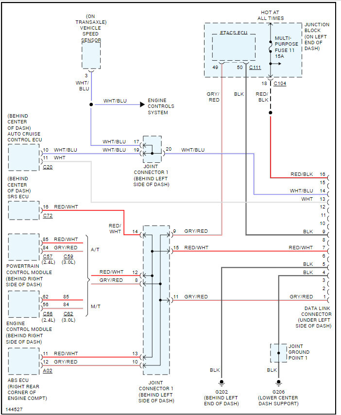
I'm looking for a diagram the OBD 2 pin out and to make that my port is wired right because on my port. I have it where it is using line terminal 7 and using can low terminal 14. I am just wanting to see if that's right. Also, if you could give me a pin out of the ECU connectors, please? Thank you.



