Monday, March 7th, 2022 AT 5:31 AM
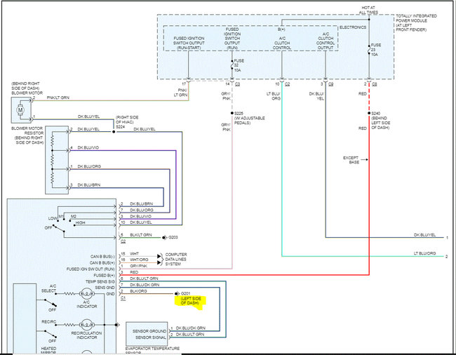
Mode 1 actuator went out so I replaced it and it would switch modes very slowly and finally quit working after about 5 minutes and stayed on middle vents. Cleared all codes and ran an actuator test and still no change. Shows codes on all actuators now. Replaced control board/selector switch and still no change. Pulled all fuses, disconnected battery, and let sit for 20 minutes and it still won't change. With the motor off but key turned on I can hear the actuators moving but does not change directions.











