Monday, May 31st, 2021 AT 3:36 PM
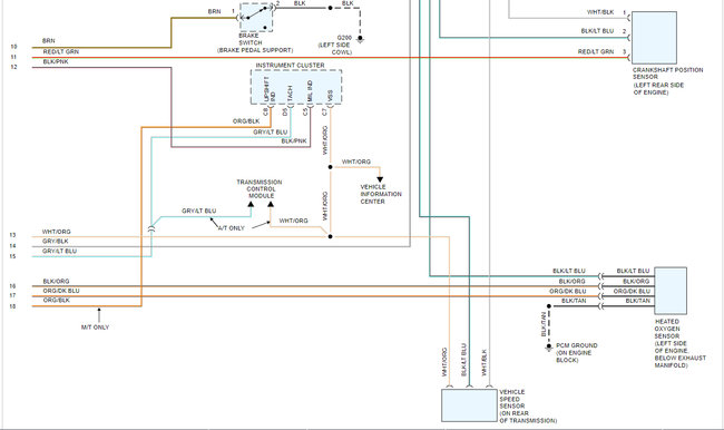
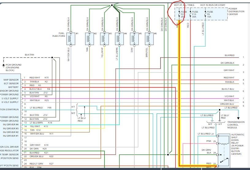
I get no spark from coil. No power to coil. Everything else works fine, except when I turn the ignition key to start my oil gauge meter doesn't register.






