Tuesday, February 18th, 2025 AT 10:41 AM
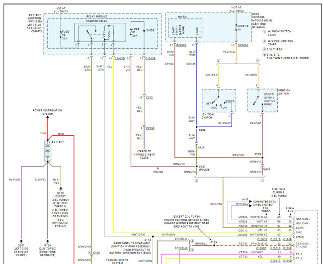
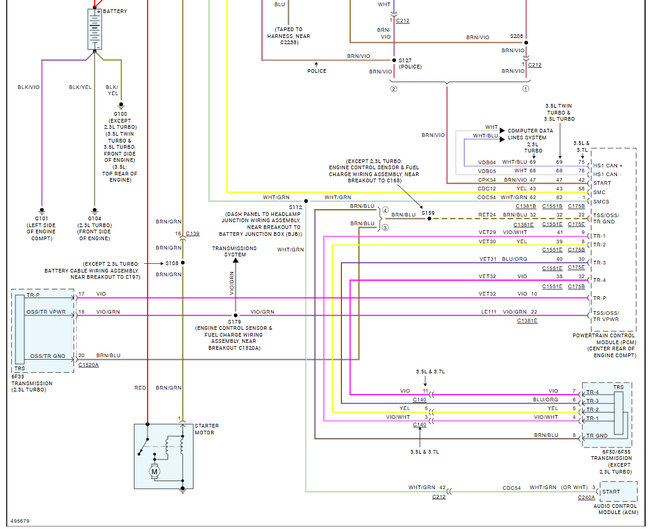
Bought it from auction a few weeks ago, no issues at all. Had it towed here and started it several times. I left it alone a few weeks went to start it and it won't start, won't turn over. Thought maybe a low battery, put a jumper same thing. Has 2 fobs both work and lock/unlock. Has a push button all lights come on the dash like they should. I am not hearing a click, trying to see where the starter relay is or if there are common issues on these. Brake lights work. Found under the seat an old brake light switch, I assume they thought that was the issue and replaced it and that the issue was intermittent. No codes.





