Saturday, September 24th, 2022 AT 11:56 PM
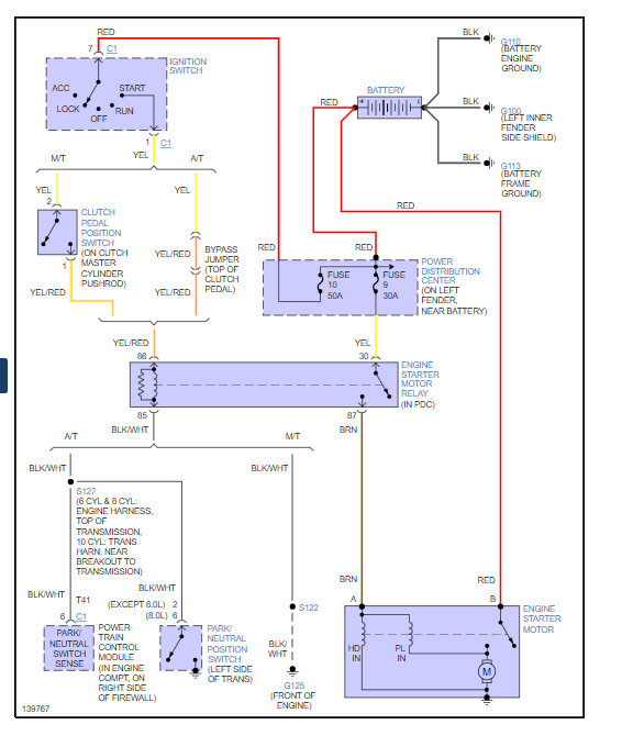
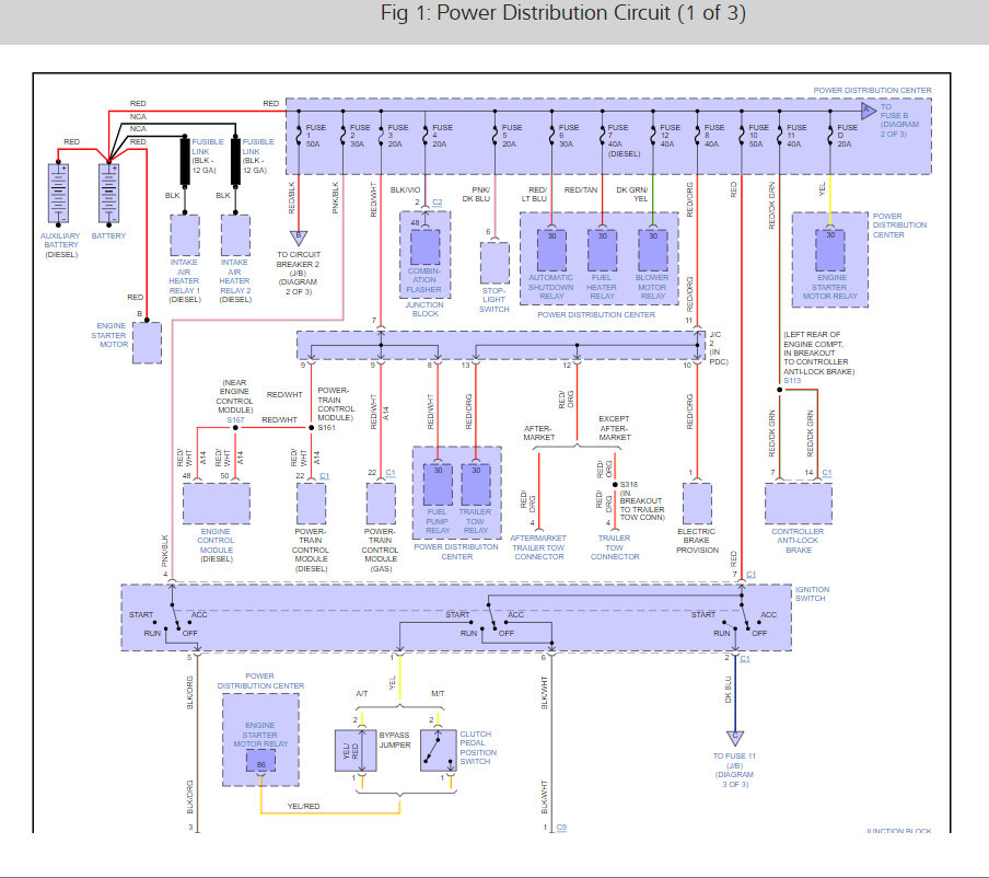
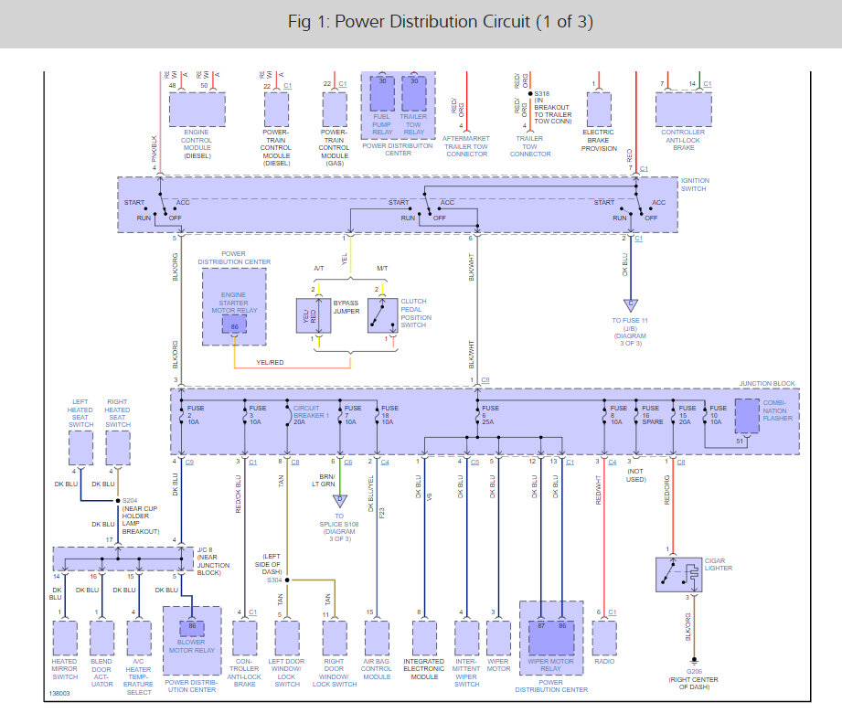
Here is my problem: I turn the ignition switch on; all lights show up on instrument panel but no start no crank. So, I checked fuses and relays all are good. So, I disconnect the wire on the solenoid switch on starter S terminal. Ran a wire from S terminal up to battery and with switch on Touch the Pos on battery and she cranks up. Also, while I was under truck, I connected a wire to the wire I took loose ran it up to top of engine so I can test to see if it is hot, (that wire should be hot when you turn the switch to crank the truck) whenever I think I have found the problem. So, now I can research my problem I found at the fuse box Starter Relay and Fuse were good. So, I pulled the fuse and noticed where the fuse plugs in (you have 2 male legs) only one side where the leg plugs in had a female clip So the fuse is not connecting, I took box loose Flipped it over looking for a wire that is just lying there not connected to anything. I have looked off and on for 2 days and have not found a loose wire. Now I'm puzzled I will keep checking and hope I find the problem. Any ideas?


















