Sunday, May 22nd, 2022 AT 7:52 AM
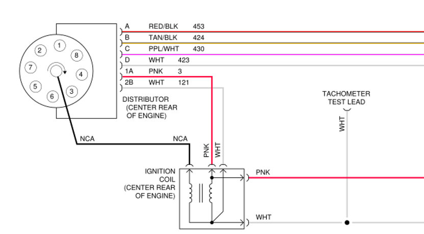
I'm getting fuel and spark to the distributor but not to the plugs ive checked and cleaned the grounds I've put all new parts n the distributor still the same so I put a whole new one in nothing changed so I put a new computer new electronic spark module on it and it's still doing the same and everything in the distributor has power and it has no crank sensor



