Wednesday, July 26th, 2023 AT 10:52 AM
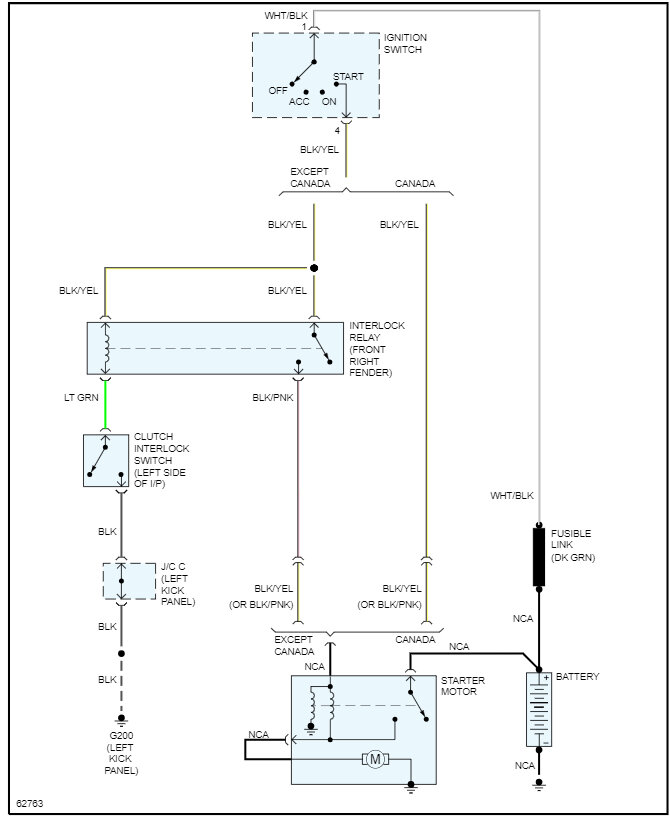
For about a year the truck would crank sometimes and sometimes it wouldn't. You could try several times and it may crank or may not but if I jumped it off it would start right up. Now it won't crank unless you pull it off. So far, I have checked the obvious like battery voltage, voltage to the starter, relays. The one mounted to the fire wall on the passenger side looks a little burnt. The relay and the plug but it does have power. Wanted to check the 3 relays on top of the fuse panel in the cab but I can't find anywhere to tell me what they control.





