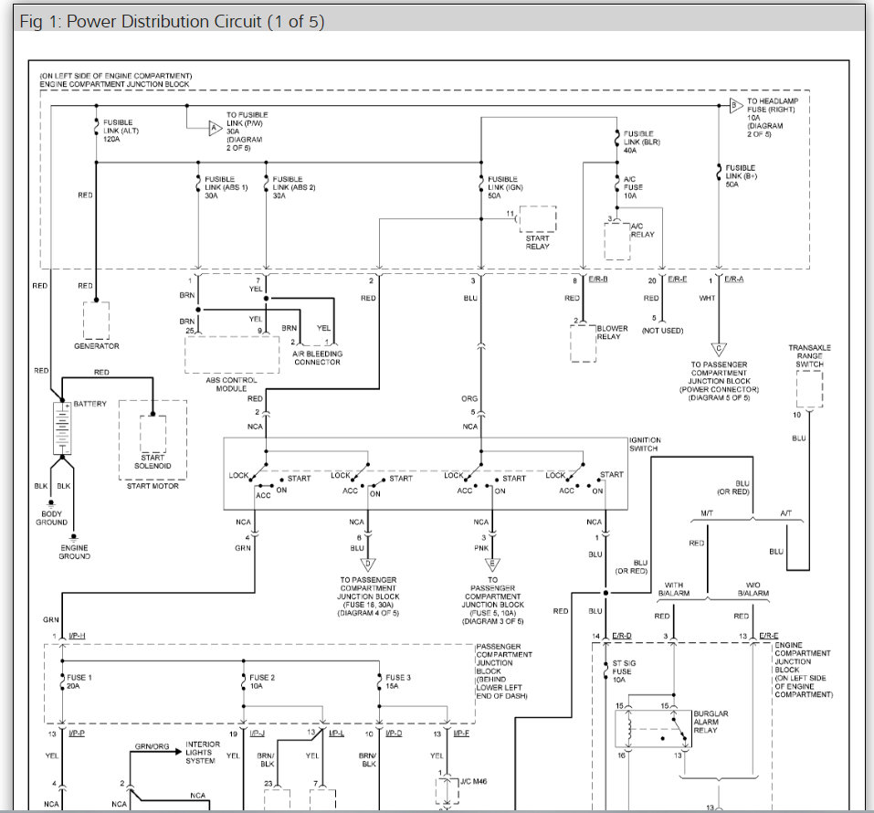
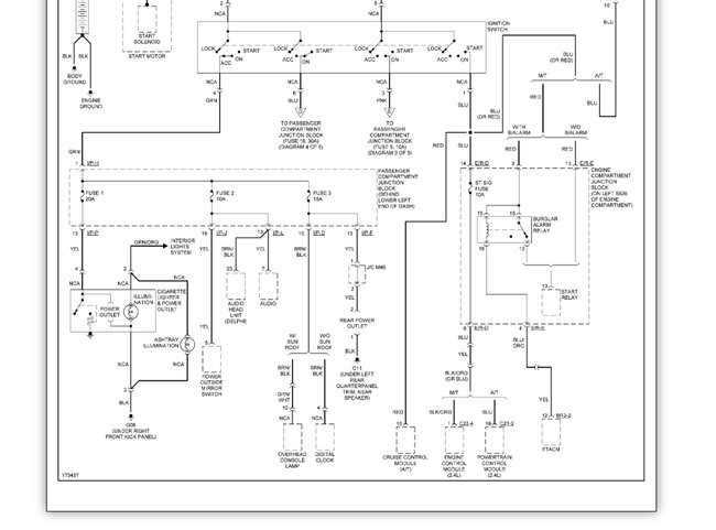
Monday, June 4th, 2018 AT 10:36 AM
I was driving fine then it shut off. I found the serpentine belt had came off because the pulley wore out. When replacing the pulley I noticed the crank sensor had busted from the belt flapping I suppose. I replaced the sensor, the belt and pulley. Now I am not getting any spark or fuel. There is no power at a couple of the ECU fuses but I am not sure if there should be without it running? Code reader will not show anything at all. I’ am suspecting the busted crank sensor could have grounded out and fried the ECU, but I know little about these foreign vehicles. Any help?
















