Tuesday, April 20th, 2021 AT 5:47 AM
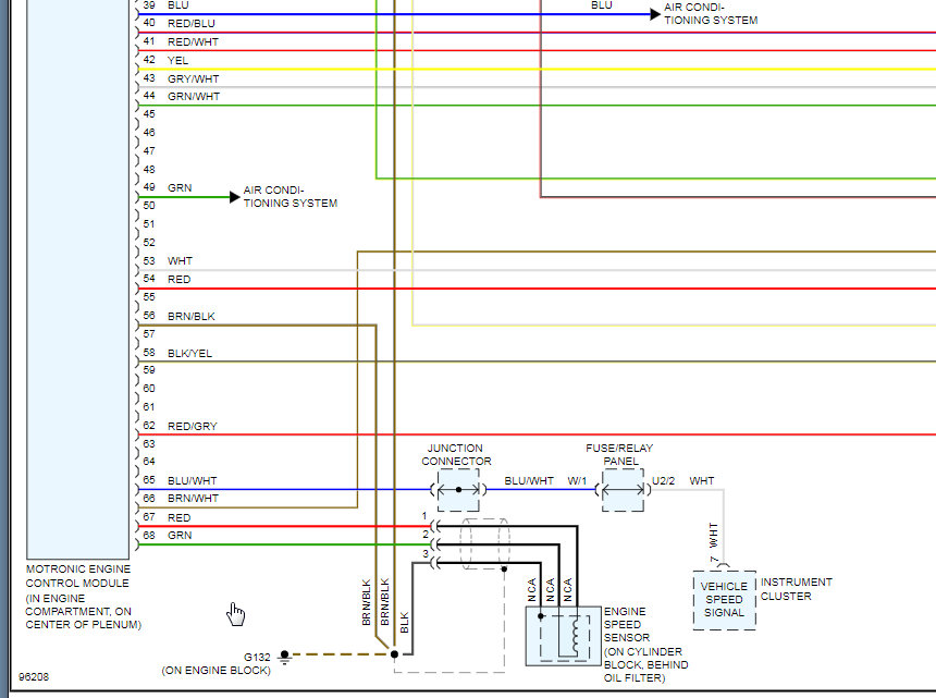
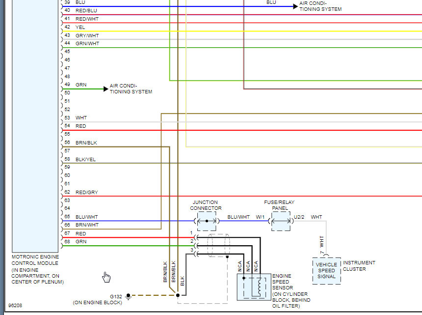
Hello, I have a no spark situation, all components have been changed by a previous mechanic. I have checked the center wire to ground and have 1.7 volts ac. Is this enough to start? Would the security system prevent start? Won't spark at all. The crank position sensor is a three wire type.

