Friday, September 29th, 2017 AT 10:25 AM
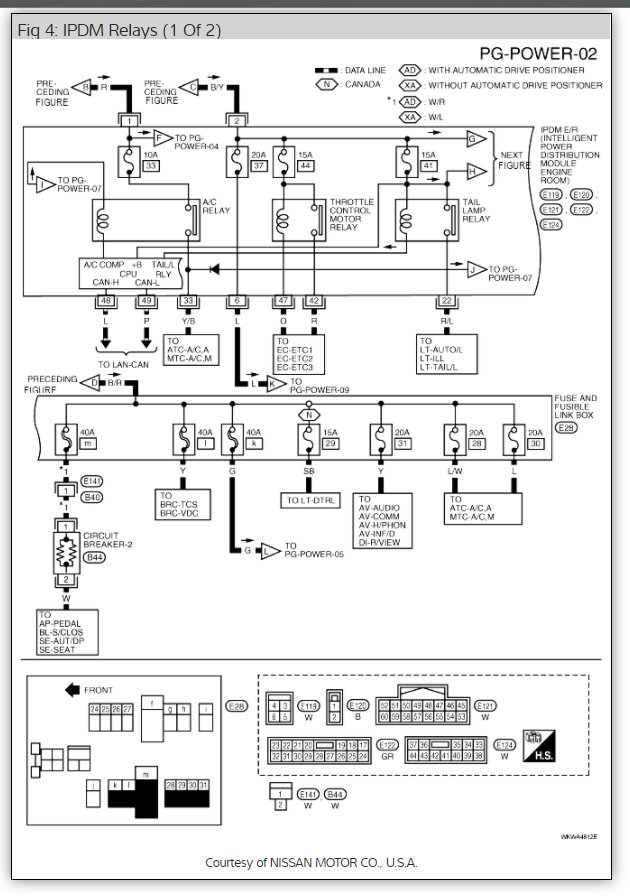
My vehicle is not getting pulse reading on all injectors therefor not starting. Cam's and crank sensor are good. Any ideas or opinions? All fuses are good. Anyway that I can get a wiring diagram of ecm, engine fuse box and fuel injectors?

















