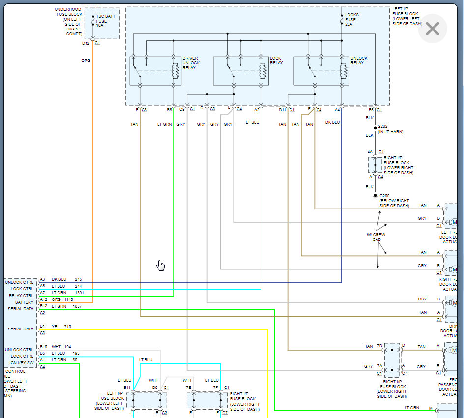
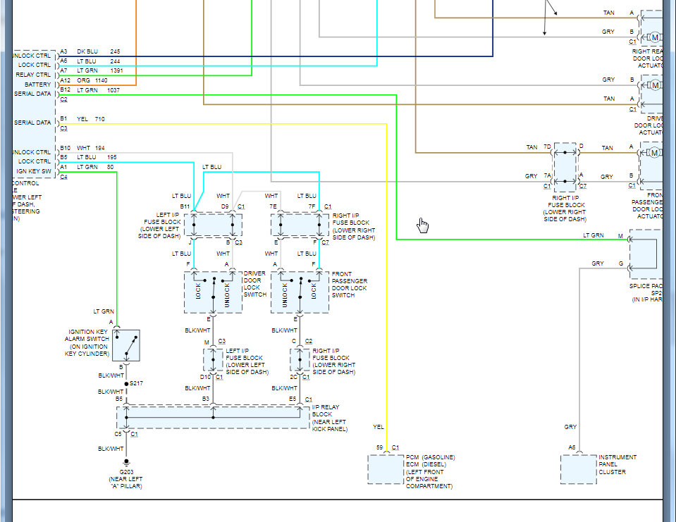
The passenger door module has no functions either.
I do have 12v coming in on the orange wire
I have pulled the wires out of the door jamb and checked for broken wires
I have checked the driver side fuse for the passenger door
The PDM has been replaced.
Wednesday, April 21st, 2021 AT 2:44 PM







