Wednesday, April 7th, 2021 AT 8:31 AM
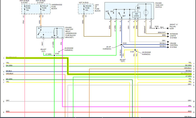
This issue is on the truck listed above c4500 with 6.6l diesel engine in it. I am not receiving any signal from ECM when I turn to run/ start position. I am very stumped on this truck. Need help badly.


















