Monday, October 10th, 2022 AT 11:35 AM
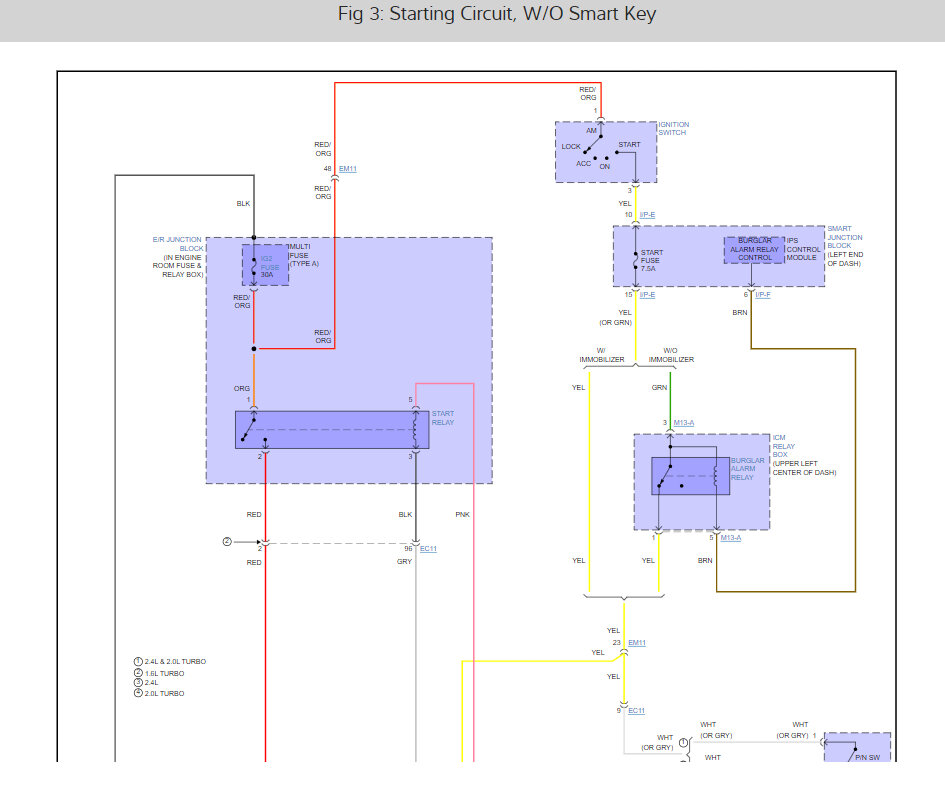
Parked the car the night before, next day had the no crank no start condition. Battery is good, 12.4. Starter relay is good, tested with 12v source, start fuse (under dash) and ECU fuses are good, verified with multimeter. When I turn the key to start, I get a click but I'm not sure if its relay under hood or not. I do not see power when I probed the starter relay slot, with key off, acc or on positions. The start fuse slot under dash has no power to either side, key on, off, acc. Not sure what to test next or where to look next. Also, I can't jump the relay under hood, pins 30-87, to start. I get nothing, not even click from starter. Any help is desperately needed. Not sure of the relevance, but the night before the problem, I jumped a generator. I did it properly, as I've done numerous times, and the car ran to the store hours later with no problem.







