Saturday, April 6th, 2019 AT 6:45 PM
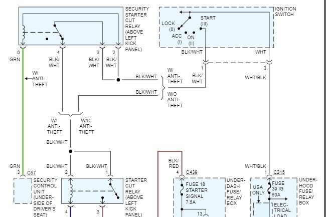
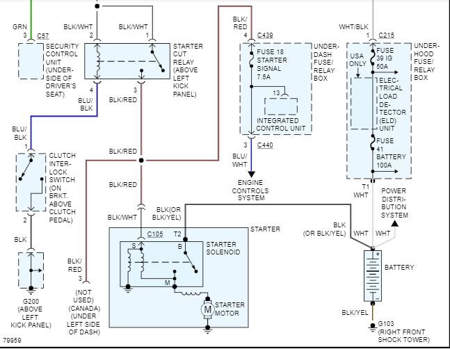
The problem first started intermittently, until I stalled out one day and from then on it wouldn't start by key. I've got a new battery, cleaned terminal posts, new starter, altenator is good, new ignition switch, and the main relay is good as well. I wired the battery and starter to a switch so I could get by until I get the issue resolved. And since the bypass works and my car runs fine, I was thinking the problem has to lie between the ignition and the starter. Any ideas?








