Friday, January 4th, 2019 AT 12:19 PM
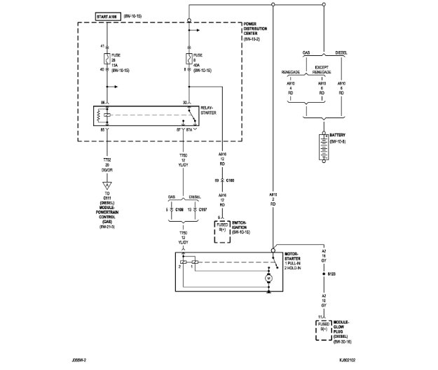
My vehicle listed above limited model will not crank. I pulled start relay and verified voltage at point 30 and 86 with key in start. I jumpered across points 30 and 87 and starter cranks but vehicle will not start. I purchased a new relay and installed. Still no crank. Looking for what to look at next? Thanks



