No crank, no start, can I get the wiring diagram for the ECM?

2009 MERCEDES BENZ CLK 350
128,000 MILES • 3.5L • V6 • 2WD • AUTOMATIC
Avatar
HAL1958
  • MEMBER
  • 89 POSTS
Engine ECM is not communicating with scanner. All other modules show on scanner. No voltage at starter relay. ECM was sent out and found software failure and corrected and reinstalled. Front sam check good on scanner. New battery installed. All fuses and relays check good. Need wire diagram for ECM connectors and what pins to check voltage. Thinking ECM is not getting voltage input.
Mar 13, 2024 at 12:37 PM
Advertisement
Avatar
BORIS K
  • CERTIFIED EXPERT
  • 836 POSTS
Hello,

On the ECM you have 2 connectors.

C1 - 96 pin
C2 - 58 pin

Pin out at connector C2.

Pin 3, red/blue wire ignition 12V from fuse F53(15A) in front SAM
Pin 5, red/blue wire ignition 12V from fuse F53(15A) in front SAM
Pin 16, red wire constant 12V from fuse F57(5A) in front SAM

Also check your grounds at pins 2, 4, 6, brown/white wires.

Diagnostic wire, blue/yellow, comes from pin 29 to OBD connector pin 7.

See image below for 12V and ground wires.

Cheers, Boris
Mar 14, 2024 at 4:08 AM
Avatar
HAL1958
  • MEMBER
  • 89 POSTS
I’m assuming these tests are done with ECM removed. If so, I removed ECM and check pin 16 and has 12v constant. Pin 3 and 5 have no volts and fuse 53 no volts with key on position. Pins 2,4,6 have good ground. Pin 29 to pin 7 is good ohms. I replaced relays for circuit 15 and 87, still the same.
Mar 14, 2024 at 6:24 AM
Advertisement
Avatar
BORIS K
  • CERTIFIED EXPERT
  • 836 POSTS
Hello,

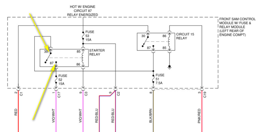
The ECM needs to be plugged in to activate the engine circuit relay 87, if ECM unplugged fuse F53 will not be energized.

ECM on connector C2 pin 27 outputs a ground on brown wire to front SAM pin 8, connector C2. This in turn will switch relay to output 12V to fuse F53.

Also fuse F53 needs to be live to energize the starter relay, see image below.
I had to separate wiring diagram for display purposes.

Cheers, Boris
Mar 14, 2024 at 7:08 AM
Avatar
HAL1958
  • MEMBER
  • 89 POSTS
I reinstalled ECM . With key on position, fuse 53 still has no volts.
Mar 14, 2024 at 8:45 AM
Avatar
HAL1958
  • MEMBER
  • 89 POSTS
Also, do i need to have someone in the car to turn the key to the start position to have voltage present at fuse 53? I only had key in the on position for dash lights to come on.
Mar 14, 2024 at 9:35 AM
Avatar
BORIS K
  • CERTIFIED EXPERT
  • 836 POSTS
Hello,

As fuse F53 is supplied by relay 87 you will only require the ignition to be on.
Suggest checking that the ECM switches a ground out at pin 27 to the front SAM at pin 8, connector C2.

See image below.

Cheers, Boris
Mar 14, 2024 at 10:20 AM
Avatar
HAL1958
  • MEMBER
  • 89 POSTS
Do i back probe pin 27 at ECM ohms to ground? Also, which 87 relay am i checking? Chassis- N10/1kl or engine- N10/1ks?
Mar 14, 2024 at 3:09 PM
Avatar
BORIS K
  • CERTIFIED EXPERT
  • 836 POSTS
Hello,

You are checking engine87 relay in front SAM.
You could back probe pin 27 to check if ECM is switching ground out, better still check that ECM is switching ground out at the relay socket, terminal 85.

Cheers, Boris
Mar 15, 2024 at 4:10 AM
Avatar
HAL1958
  • MEMBER
  • 89 POSTS
I removed engine 87 relay. Then I installed a wire in socket term 85. I put the key in the on position. Then I connected my ohmmeter to wire and then to ground and it shows no ground. Will it still show a ground with relay removed ?
Mar 15, 2024 at 8:07 AM
Avatar
BORIS K
  • CERTIFIED EXPERT
  • 836 POSTS
Hello,

It will as the ECM pulls a ground through terminal 85 via brown wire to ECM pin 27.
As you are not getting a ground you either have a connection issue inside the front SAM from terminal 85 to pin 8, a possible broken brown wire to ECM or an issue inside the ECM.

Suggest checking each circuit separately, front SAM and brown wire back to ECM.

Cheers, Boris
Mar 15, 2024 at 9:11 AM
Avatar
HAL1958
  • MEMBER
  • 89 POSTS
I checked for continuity between ECM pin 27 and term 85 was good. So brown wire is okay. Can i bypass that ground? Splice a wire to the brown wire and connect to chassis ground? Also, are you saying that fuse 53 will not get power unless pin 27 grounds? Is there something i can check with my scanner?
Mar 16, 2024 at 7:06 AM
Avatar
BORIS K
  • CERTIFIED EXPERT
  • 836 POSTS
Hello,

The relay needs to switch to supply fuse F53. You could try and supply a separate ground to the relay and see if it will switch.
Keep in mind that if the ECM does not switch a ground out this could point to an issue inside the ECM.

Cheers, Boris
Mar 18, 2024 at 10:31 AM
Avatar
HAL1958
  • MEMBER
  • 89 POSTS
How can i check if the ECM is getting power from battery? When the ignition switch is on what pin on the ECM should read 12v? Also, i read that the electrolytic capacitor 200uf 50v is a common problem on this Bosch me9.7 ECM. How can i check it to see if this is the power supply problem that I’m having?
Mar 18, 2024 at 11:48 AM
Avatar
BORIS K
  • CERTIFIED EXPERT
  • 836 POSTS
Hello,

On ECM connector C2.

Pin 15, pink/red wire 12V ignition from front SAM pin 12, connector C2.
Pin 16, red wire constant 12V from front SAM pin 4, connector C2, fuse F57(5A).

On diagram terminal 15 is ignition, 30 is constant 12V, 31 is ground.
See image below.


Cheers, Boris
Mar 20, 2024 at 10:03 AM
Avatar
HAL1958
  • MEMBER
  • 89 POSTS
pin 15 has 12v with ignition on, and 0v with ignition off. pin 16 has constant 12v also at fuse 57. I opened the ECM and removed capacitor and will order part to see if that fixes the power problem before replacing ECM. In the meantime, there is another problem. A buzzing sound near the center of engine that drains my battery overnight. It's not from the relays in the front sam. The only fuse that stops it is fuse 55. What does fuse 55 control that would make this buzzing sound so I can replace the part?
Mar 24, 2024 at 6:09 AM
Avatar
BORIS K
  • CERTIFIED EXPERT
  • 836 POSTS
Hello,

Fuse 55 in front SAM controls several different outputs.
See illustrations below.

Picture 3 shows description and front SAM connector and pin description.
Connector 21 and 9, as illustrated in image 1.

Cheers, Boris
Mar 25, 2024 at 2:07 AM
Avatar
HAL1958
  • MEMBER
  • 89 POSTS
Hello, I replaced the 220uf 50v capacitor in ECM. Now when I remove the starter relay and jumper it the car will crank but no start. Before it would not do that. If i try and use the key to start i get no crank. Also, I don’t hear the fuel pump. I replaced the fuel pump relay and fuse in trunk still the same. What else can I check now? Thanks.
Apr 2, 2024 at 7:35 AM
Avatar
STRAILER
  • CERTIFIED EXPERT
  • 53,855 POSTS
Lets run the codes to see if any are stored.

This guide can help:

https://www.2carpros.com/articles/checking-a-service-engine-soon-or-check-engine-light-on-or-flashing

Also, does the security light flash when the engine is cranking? If so, the system is enabled and needs to be reset.
Apr 5, 2024 at 9:03 AM
Avatar
HAL1958
  • MEMBER
  • 89 POSTS
When i jumper starter relay the engine cranks, but no start and security light does not flash. Immobilizer is ok. With key in on position fuse 53 has no volts so how come engine cranks with jumper if no power at f53? I thought f53 needs power to crank? Also, I cleared codes and still has no communication with ECM and dtr and has a lot of codes for ESP and TCM. Also front SAM showing code B1036. Enclosed codes below.
Apr 6, 2024 at 7:54 AM
Avatar
HAL1958
  • MEMBER
  • 89 POSTS
ECM.
Apr 6, 2024 at 7:55 AM
Avatar
HAL1958
  • MEMBER
  • 89 POSTS
Tcm/Esp/F sam
Apr 6, 2024 at 7:58 AM
Avatar
STRAILER
  • CERTIFIED EXPERT
  • 53,855 POSTS
Can you post all of the codes please?
Apr 6, 2024 at 11:05 AM
Avatar
HAL1958
  • MEMBER
  • 89 POSTS
Here are the codes below.
Apr 8, 2024 at 10:42 AM
Avatar
STRAILER
  • CERTIFIED EXPERT
  • 53,855 POSTS
Can I ask if this car was water damaged? Most of these codes are showing the engine control unit not working which can cause the additional codes. Let's get a rebuilt preprogrammed unit by searching google or ebay. Here is how to change the unit out. Check out the images (below). Let us know how it goes.
Apr 8, 2024 at 11:20 AM
Avatar
HAL1958
  • MEMBER
  • 89 POSTS
No the car wasn’t water damage. Do you know why f53 has no volts ? but i can still jumper the starter relay and it cranks but doesn’t start ? Also which 2 wires on ecm harness can i check for low CAN volts ? I want to be sure it’s not a CAN problem before I spend $600 on rebuild ecm. Also do you have a diagram for the Bosch me9.7 ECM circuit board?
Apr 9, 2024 at 9:09 AM
Avatar
STRAILER
  • CERTIFIED EXPERT
  • 53,855 POSTS
We do not have the circuit board diagrams; also, can you please clarify what you mean by f53? fuse 53? The reason I asked about the water damage is because of so many communication errors. Like large parts of the system are down all at once. It could be the front SAM unit is out, can you please double check all maxi fuses please?

Apr 9, 2024 at 10:28 AM
Avatar
HAL1958
  • MEMBER
  • 89 POSTS
Yes fuse 53. I was wondering how this fuse gets its power. When i jumper starter relay terminals 30/87 it cranks but no start. I tried jumping engine relay 87 at terminals 30/87 (I found no volts at 30) and no crank but engine fan comes on at high speed. Also, I tried adding a ground wire to terminal 85 under the relay and fan comes on high speed and no crank. I checked all fuses and all good. I still need to know what are the 2 CAN wires that go to ECM to check for about 2.5 volts?
Apr 10, 2024 at 12:04 PM
Avatar
BORIS K
  • CERTIFIED EXPERT
  • 836 POSTS
Hello,

As previously discussed, fuse F53, as well as fuse F54, is supplied by Engine circuit 87 relay.
See image 1 below.
This relay is switched by a ground trigger on terminal 85.
This switched ground is supplied at pin 8 of connector C2 at the front SAM on a brown wire
The ECM is supplying the switched ground from pin 27 at connector C2(small 58 pin.

When bridging the starter relay terminals 30+87 are connected.
See image 2 below.
Terminal 30 is supplied by the Ignition circuit 15 relay and not by fuse F53.

The 2 HS CAN lines are connected to pins 41+54 at ECM connector C2.
The HS CAN lines usually carry 5V combined, with the high side usually on about 2.7V and the low side on about 2.3V.

Pin 41, green/white wire HS CAN high, about 2.7V
Pin 54, green wire HS CAN low, about 2.3V

See image 3 below.

Hope this helps.

Cheers, Boris
Apr 11, 2024 at 4:14 AM
Avatar
HAL1958
  • MEMBER
  • 89 POSTS
With key in on position and ECM removed I checked pin 41on harness it read about 3.14 volts. Pin 54 about 2.00. I tried a different front SAM with same part number and still no ground at terminal 85. I tried with key in on position and start position and still no ground. Looks like the front SAM is good so it has to be the ECM? IC chip 50554 next to capacitor that I changed is the one that provides the ground to relay after receiving volts to pin 15 from ignition. Am I correct?
Apr 11, 2024 at 12:35 PM
Avatar
BORIS K
  • CERTIFIED EXPERT
  • 836 POSTS
Hello,

Unfortunately, we have no layout for the ECM main board so cannot confirm which chip performs what function.

As my colleague suggested, your quickest way out would be another ECM. You could also send the ECM away for testing and possible repair.

Cheers, Boris
Apr 12, 2024 at 8:53 AM
Avatar
HAL1958
  • MEMBER
  • 89 POSTS
I was notified that the ECM cannot be cloned due to not communicating. I need to send in the EIS module for cloning to rebuild ECM. Can you send me information on how to remove EIS module? Thanks.
Apr 14, 2024 at 1:05 PM
Avatar
HAL1958
  • MEMBER
  • 89 POSTS
Can you send me information on how to remove EIS module ? Thanks.
Apr 17, 2024 at 4:08 PM
Avatar
HAL1958
  • MEMBER
  • 89 POSTS
I figured out how to remove EIS myself since I wasn’t getting a reply. The rebuild ECM fixed my problem of no crank no start. Everything is working properly now.
May 2, 2024 at 10:51 AM
Avatar
STRAILER
  • CERTIFIED EXPERT
  • 53,855 POSTS
Glad you could get it fixed, thanks for letting us know. Please use 2CarPros anytime we are here to help.
May 2, 2024 at 12:58 PM