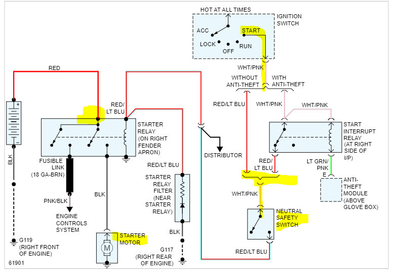
Does not crank.
Even tried in neutral, still no crank.
Not very good with electronic controls in cars, but I’m willing to give it a try.
Is there any other simple things I can swap out like relays etc, before I get too involved here?
Thanks
Friday, September 15th, 2023 AT 9:18 PM



