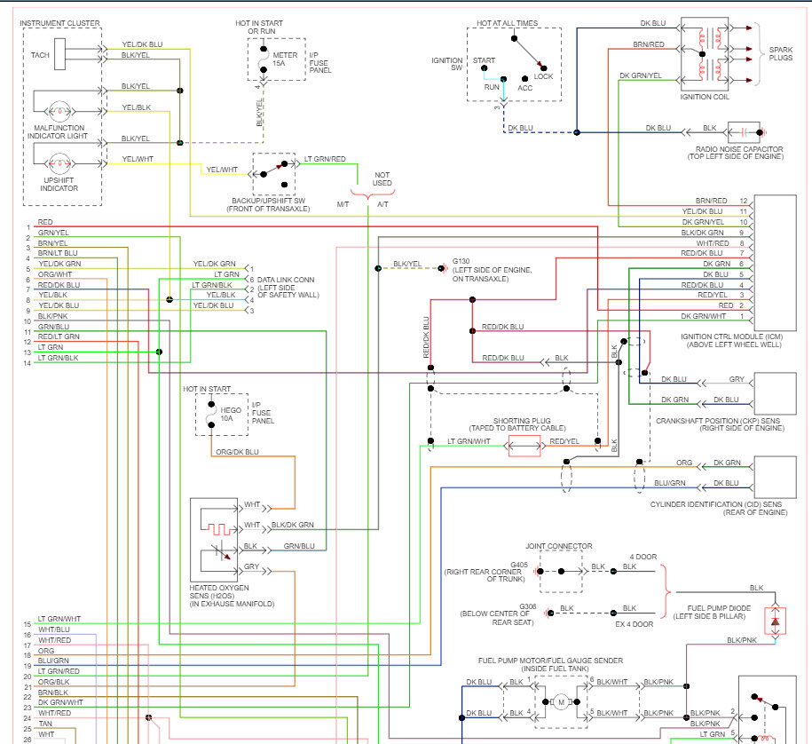
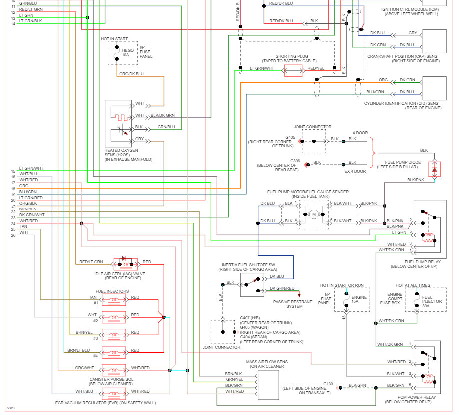
I mind you that the switch cost $82.00 from the parts house so all if the switches came from a junk yard pull a part. And I only acquired the switch with an actual key. Today, the number 21 ignition switch and key were introducing the car, and the problem would not shut off. At present, I have no bus. When I start the car, no tax but still started up and drove. However, the problem persisted no tac gas gauge still worked. I even replaced a blower motor relay, and the ac came back to life.1 year ago the blower motor went out. After testing, it still worked so I assembled relay blower switch harness and deleted the old one to make it OEM. And since the car would not shut off because of the 21st switch, I toggled switch the injector fuse, so I didn't have to get out, raise the hood every time it needed to shut down.
As you can see there have been many modifications to electronic wiring components and the last thing is the radiator electronic coolant fan yeah, I replaced the two fan relays due to overheating. And the last fan would not work because the fan motor can out of a Mazda.
As you can see hence the no bus from PCM from the Shadetree mods to this OBD1 ford. Recently, I read about performing the test connector with a jumper and a test light to run diagnostics however, wouldn't it be useless due to no PCM? Or is there another modification to bring back the PCM since it's been confused with all the repairing, and I followed removing negative cable off every time. I value all of you and the techs at your site. They got skills and that's why I'm here. Thanks.
Tuesday, October 10th, 2023 AT 3:02 AM








