Sunday, February 16th, 2020 AT 3:31 PM
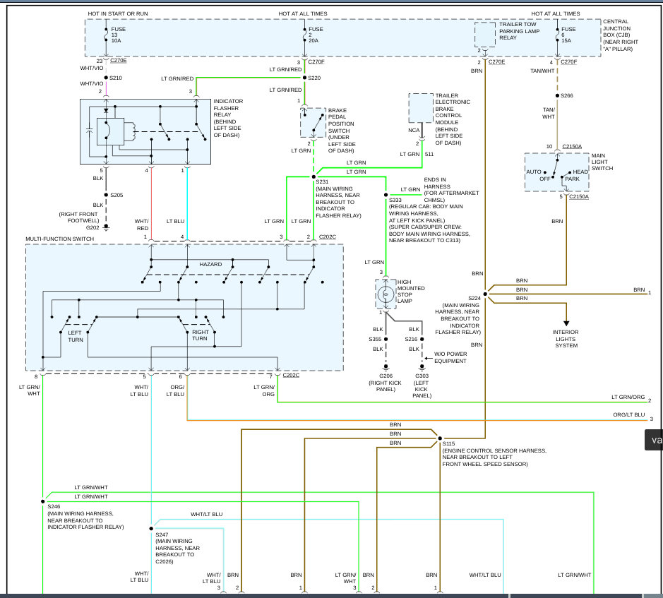
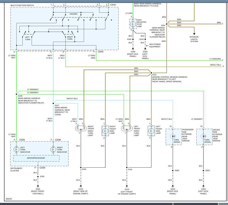
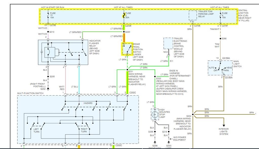
Been dealing with this for some time now. Brake lights were working at one time, now only the markers work, but no brake lights. No reverse light either. Turn signals and brake lights are on the same bulb. Someone told me once, I need to check a relay in the fuse panel. Turn signals do work though. Any ideas?
















