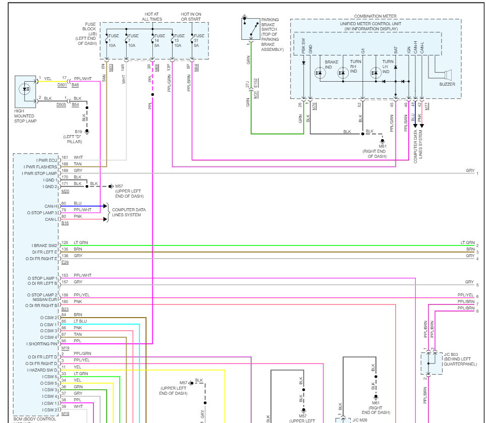
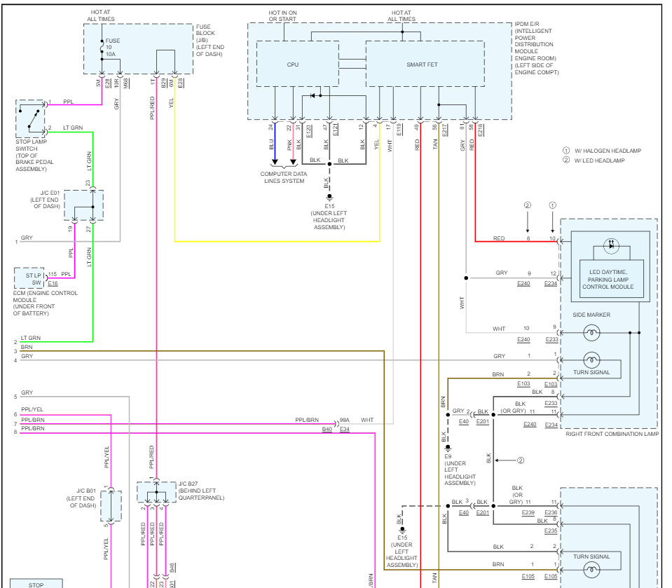
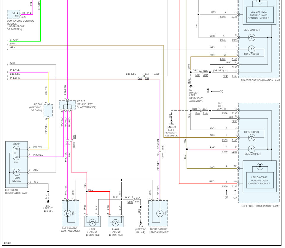
I have a weird issue that started a few days ago. Brake Light on both sides is always on even when I switch off the engine.
Read Top Center Brake Light working fine and only on when I press the brake.
So, I checked the Brake Light switch, and it is working based center brake is on when I pressed brake.
Do you think there could be ground issues with both sides of the brake lights?
Currently I can't get it through inspection due to always on lights.
When I checked with nearby service center and Dealer service center they said something with electrical issues.
Thursday, August 17th, 2023 AT 4:36 PM













