Saturday, November 18th, 2017 AT 2:45 PM
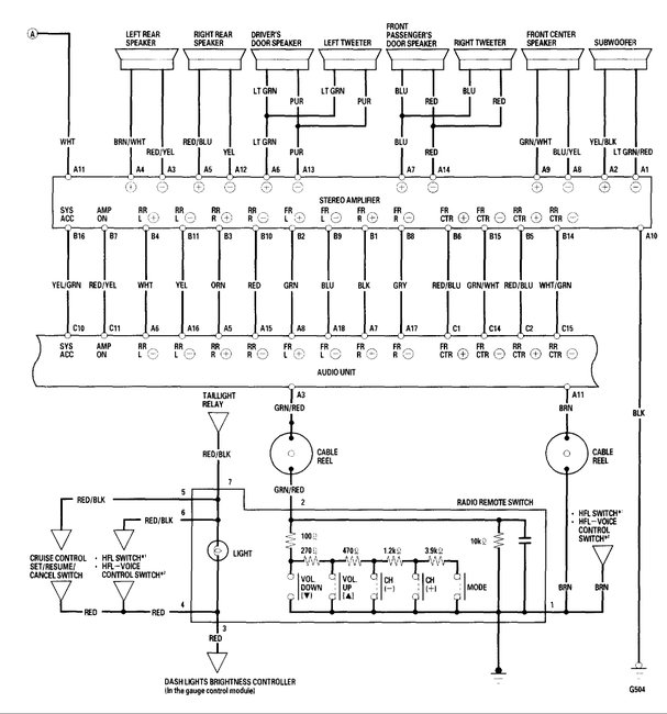
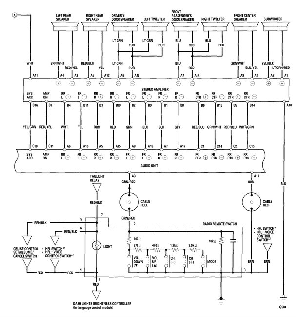
I replaced my stock head-unit with an aftermarket one. I spliced all the wires to its matching wire and I have no sound coming out. My car does have a stock amp I am not sure what to do next. I heard people saying to connect the amp turn on cable to the power antenna, I tried that, tired connecting it to the red wire and nothing. I am using a harness adapter for my car as well.


