Wednesday, May 24th, 2023 AT 6:14 AM
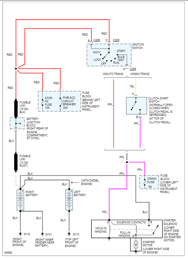
I need to know what letter wires I need to cut and connect together on my truck listed above c3500 heavy duty with a nv4500 5 speed. If you could help me out it would be greatly appreciated. Thank you very much.



