Wednesday, April 17th, 2019 AT 2:26 PM
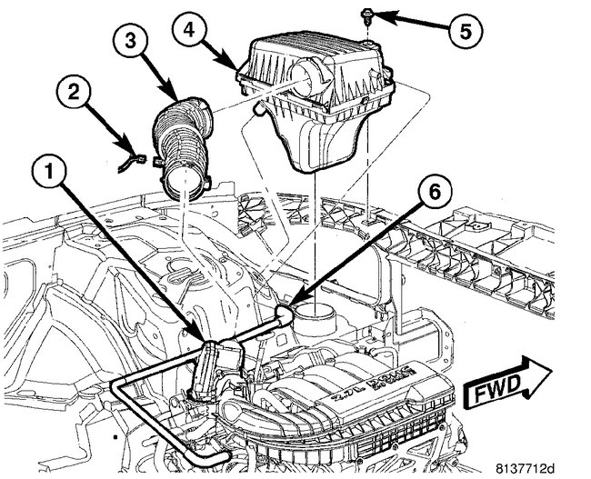
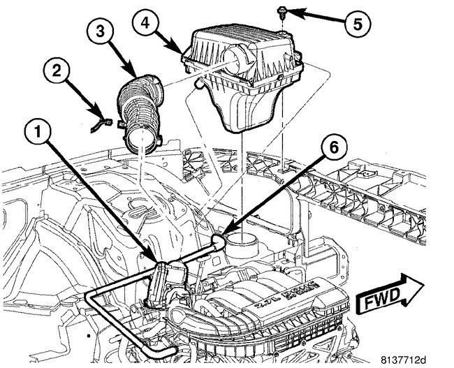
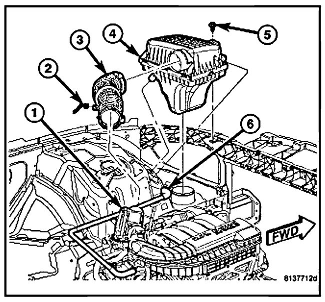
I just spent $1,250.00 plus $500.00 for installation for a 2.7 engine. The mechanic failed to put a hose on that plugs into the air intake box. I do not know where it plugs into on the other side of the hose. I have had it for a week and I am starting to think he screwed me because it also has a lengthy crack in the valve cover that the oil cap sits on, so its leaking oil, I spoke to him about it and asked if he could get my "old" valve cover and the hose (which can only be bought through a dealership)and he just referred me to a junk yard and also suggested I just JB Weld it. As far as the hose not being on his excuse was that "how was I suppose to know if it didn't come with one" but I know my old engine had one for sure. I believe he may have kept my new engines valve cover and placed my old one on supposedly "new" engine. Mainly because my old engine got so hot it messed almost all parts possible up. So I can see it have getting hot and cracking that. I am actually curious if there is a way I can tell what all he did actually change? I think he just took off the necessary parts off the new one and added them to my old one. So besides the question about where the hose goes from the air intake box I would also like to know where the engine number is and if there is any other ways to tell if he kept my old parts on there? I am completely broke after this and any advice would be greatly appreciated. Please do not ridicule me for allowing just anyone to work on my car because he had just moved in next door and supposedly was running a legit business.


















