Monday, August 12th, 2013 AT 12:25 PM
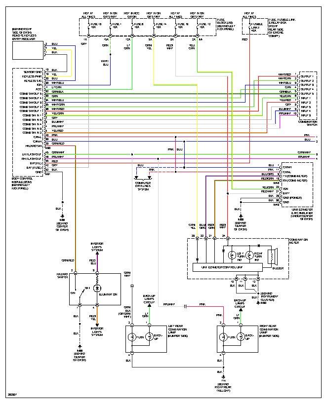
No emergency flashers everything else works just fine so I need to know the location of the fuse to be replaced I have looked in both of the fues boxes one under the dash and the other by the battery with no success in finding the fuse to be replaced


