Monday, April 29th, 2019 AT 11:22 AM
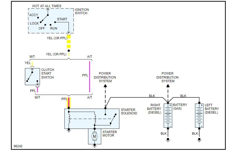
When I turn the key all my lights gauges and radio come on but when I turn to the start position it won't crank. I replaced the ignition and neutral safety switch but it still won't turn over and I'm just lost for words. Before I replaced both the ignition and safety switch it would turn over sometimes and sometimes it wouldn't. So I'm lost at the moment and need some help.



