Sunday, February 27th, 2022 AT 2:47 PM
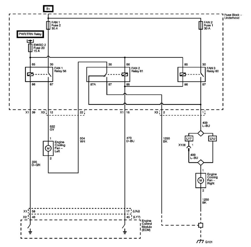
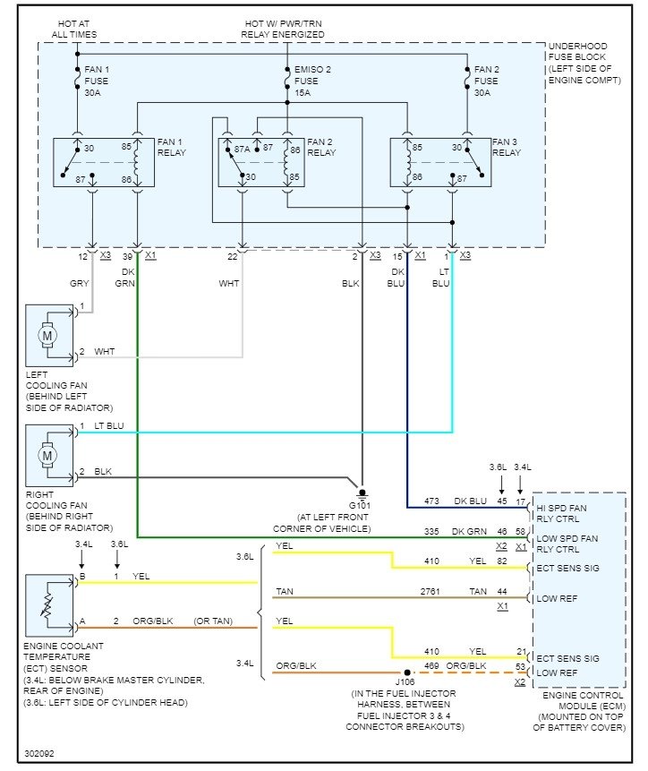
My car consistently overheats but won't turn the heat on. I replaced the radiator fans, but it still overheats. I've also done a coolant flush (haven't burped it). I went through about three fuses in one day.






