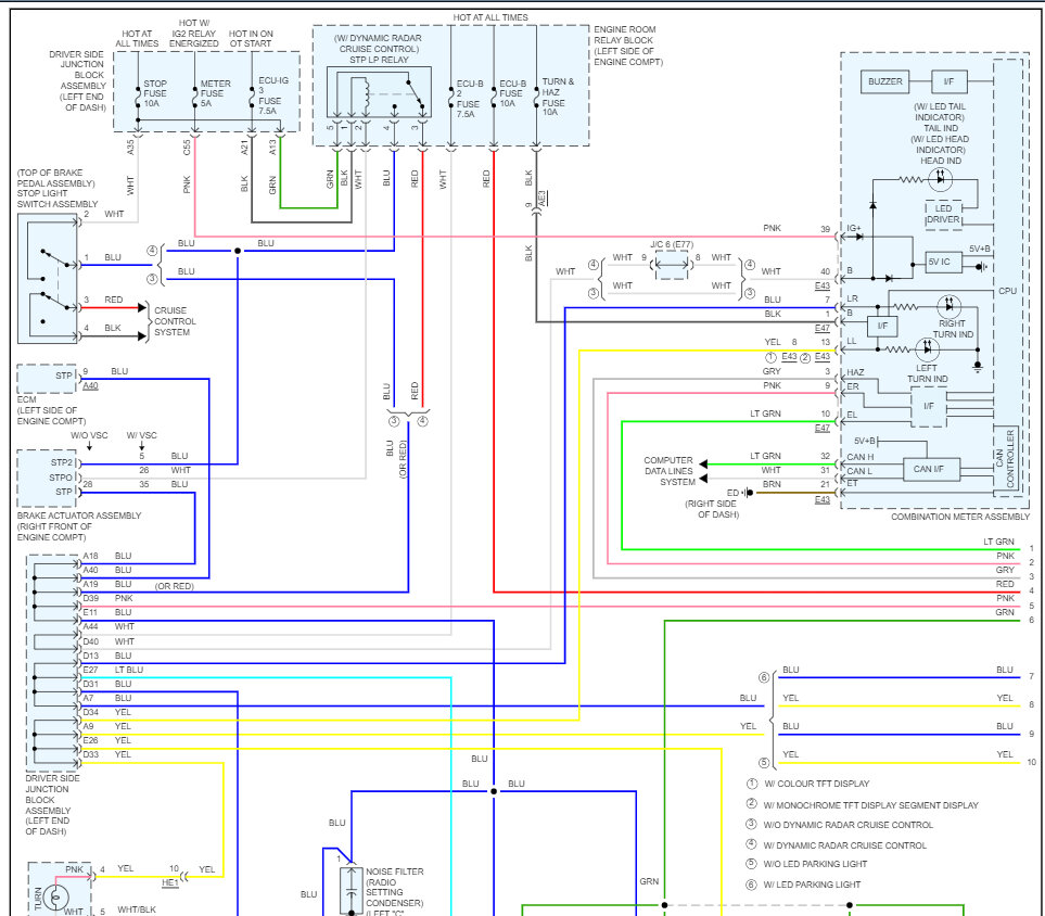
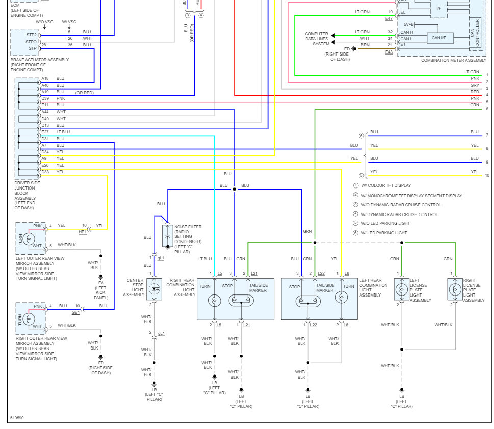
I would like to know what the problem with my brake light is because there are times where the brake lights will stay on. And if I plug out the brake switch and replug it again, the brake light is back to normal. But when I drive after a few km, the brake will will stays on again until I unplug and replug the brake switch. But there times also where when I replug the brake switch, the brake light will stay on. I have change the brake switch but still same issue. I also have tested the fuse but there are current running. The bulbs are all fine as well And all the pedal works fine.
I would like to know what is the problem of this. Is it wiring problem?
Sunday, April 16th, 2023 AT 12:52 PM

























