Thursday, March 28th, 2019 AT 7:09 PM
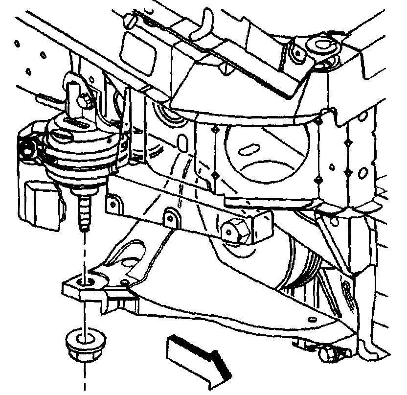
I need to have a motor mount replaced on my car (non ultra). I found somebody that's going to replace my broken front motor mount but I am having a problem ordering the part because I don't know the correct name for it. It is the front motor mount that sits right behind my radiator almost in the center, can anybody please tell me what the name of it is? Everywhere I go online to order a part says either passengers side front or driver's side front, and I am a girl and don't know a whole lot about cars. My father passed away so I have no one else to ask. I feel stupid for even asking but I didn't know what else to do.



