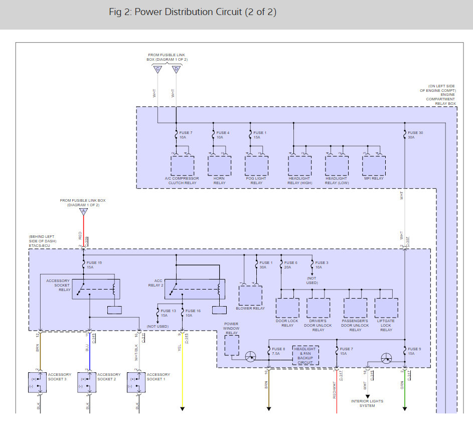
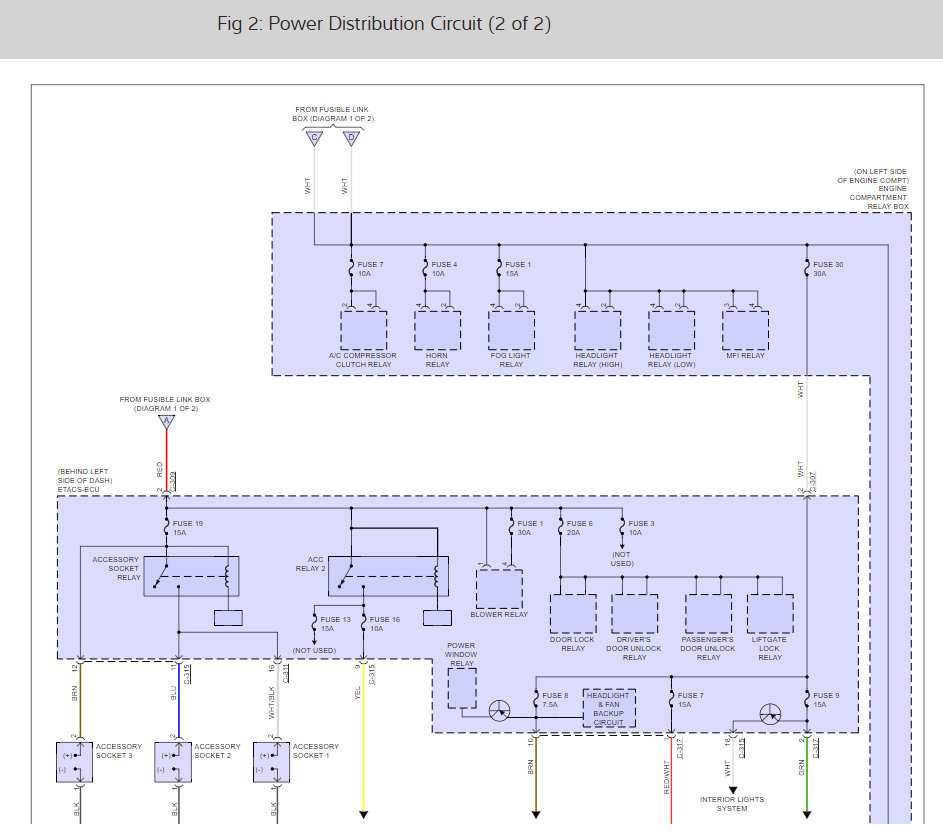
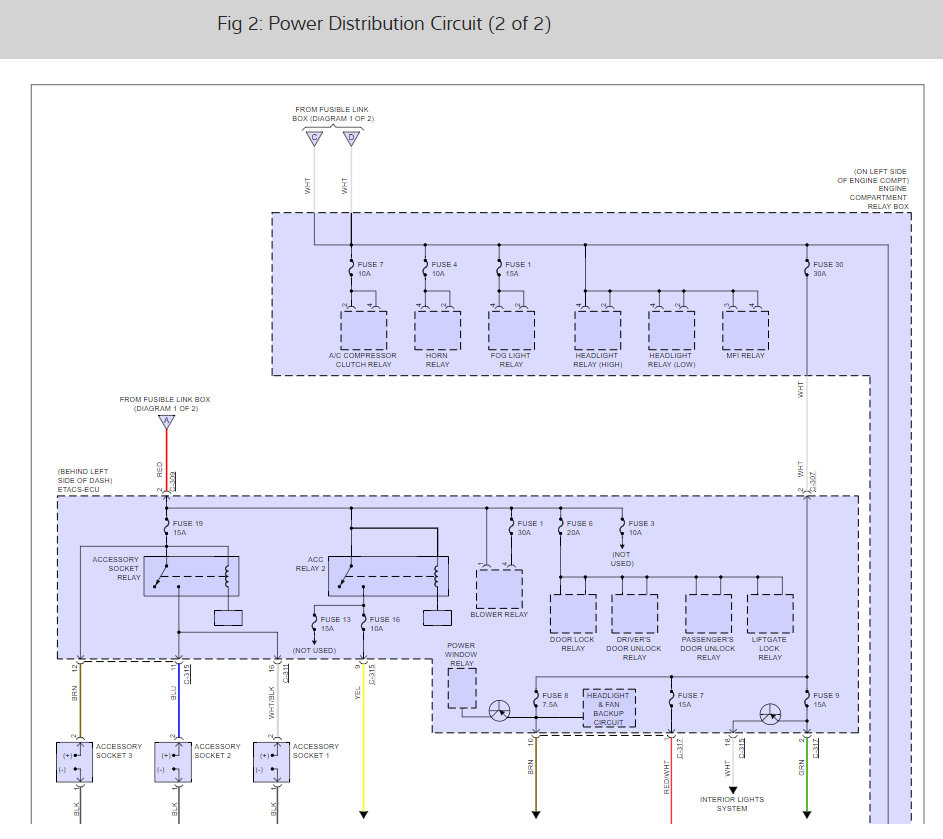
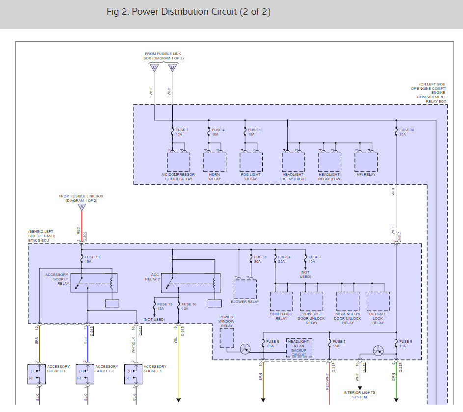
After plugging in an adapter and running a computer as well as a navigation system, the cigarette lighter ceased to work. Replaced the fuse even though it did not appear to be blown, and still not working. Any other troubleshooting tips? Or will I need to get the cigarette lighter replaced?
Sunday, September 19th, 2010 AT 6:11 PM
























