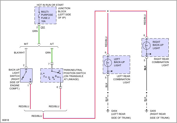
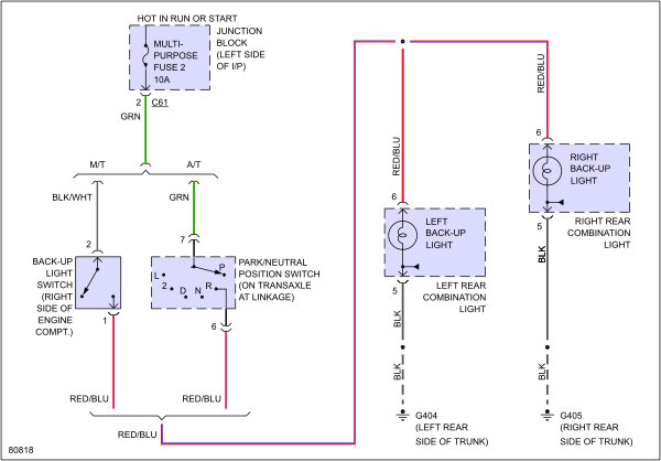
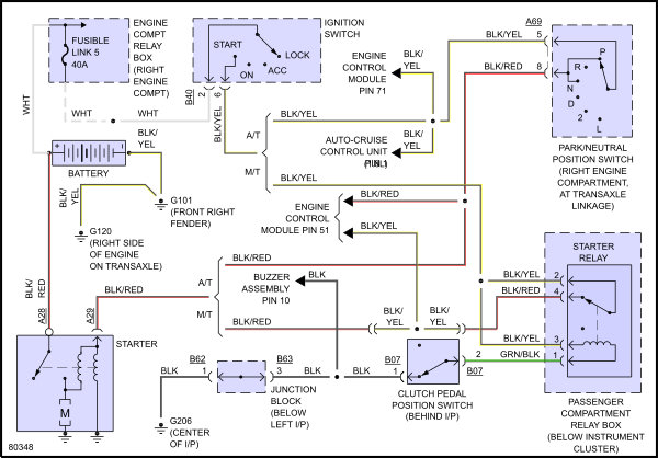
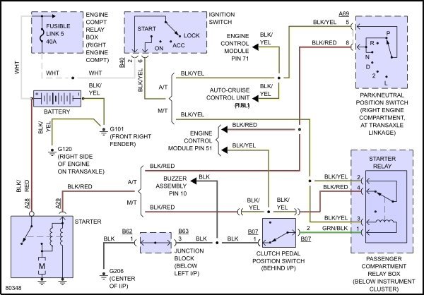
Sunday, August 7th, 2016 AT 10:29 PM
My mate has helped me do a automatic to manual conversion. The only thing I need to do now is bypass the inhibitor switch and the reverse switch pretty much all the electrical stuff, but I do not know any electricians so I do not know which cables to bridge. Can anyone help?





