Tuesday, August 18th, 2009 AT 11:31 PM
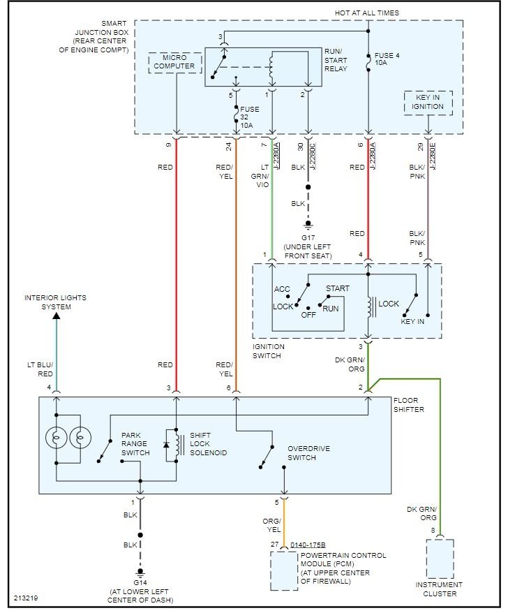
The shift lever is locked in park. I do not hear the "click" of the selonid when I push on the break pedal. What is the problem?
