Wednesday, January 24th, 2024 AT 12:12 PM
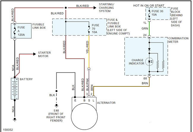
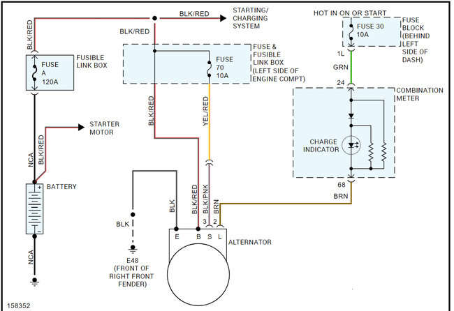
I cannot figure out why my maxima is not charging my battery. I just got a new battery and I have a new (maybe refurbished) alternator. I took the alternator to Napa, and they bench tested it and told me that it is a good alternator. I've checked all of the fuses (I think). I don't really understand what a fusible link is. I'm not sure how this website works.





