Thursday, October 31st, 2019 AT 4:46 AM
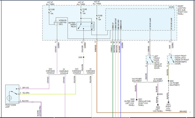
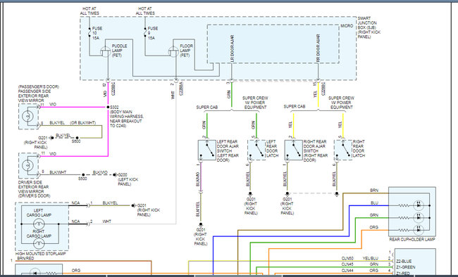
Map lights glowing when turned off. With map lights turned off they glow real dim, this tells me that there is some feed back out power. This tells me that I have a grounding problem. Do you have a wiring diagram of the grounding locations? I searched for diagrams on line but couldn't find them. Thank you.





