Thursday, January 9th, 2025 AT 10:20 AM
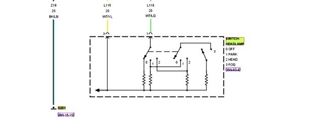
Can you please provide me with a wiring diagram for the truck listed above? I need to determine what pins the low beams connect to coming out of the TIPM.























