Saturday, July 29th, 2023 AT 1:50 PM
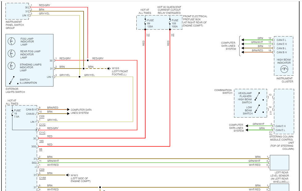
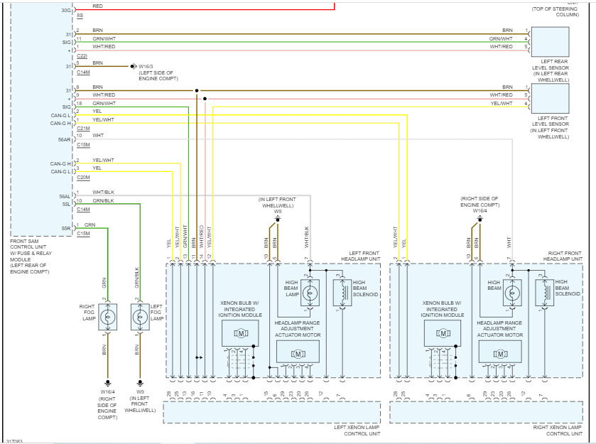
Hi, I purchased the car without low beam. So I bought the cheap square base with a bulb and a wire out off it, it worked for few seconds then only one (right side stilled work). Okay, s, I bought the led square base one. It work only on the right side again so im asking myself if I could swap between my two(2) cars which is 1-2009 C350 W204 MBenz 4 door sedan vs 2- 2006 D. Charger SXT 3.5l 4dr sedan use the cable or the bulb retro fit or something like that. Thank you



