All three power outlets in my van (base trim) stopped working. I replaced the two fuses (driver side fuse box) and they started working. Then a few days later stopped working again. I tried replacing the fuses again, but no power.
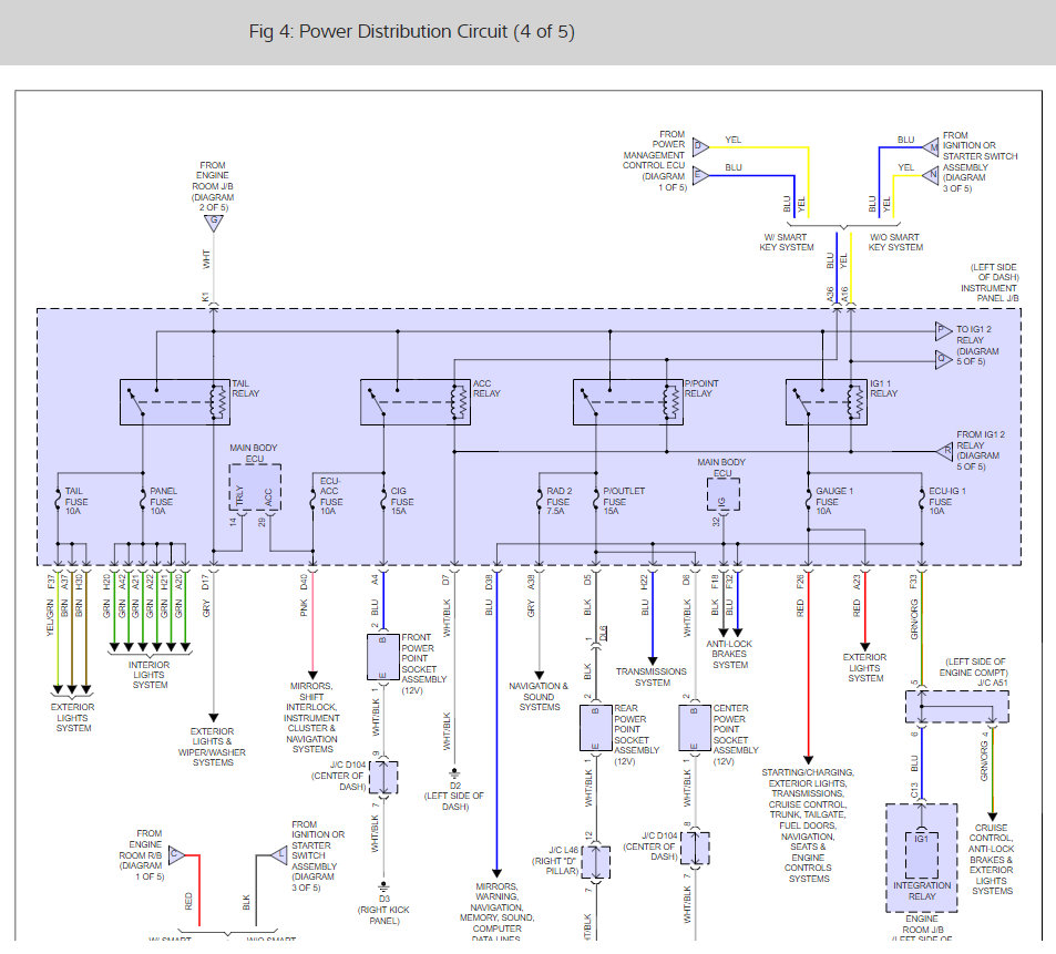
I have seen other forums mention the ACC relay as a possible source, but I cannot seem to locate it. I also do not know how to replace it or if it is a generic relay or I have to get a Toyota part for it.
Thanks for the help!
Thursday, September 21st, 2017 AT 6:16 AM






























