Lin communication errors?

2012 LAND ROVER EVOQUE
17,860 MILES • 2.0L • 4 CYL • 4WD • AUTOMATIC
Avatar
ANDRIN ATEM
  • MEMBER
  • 398 POSTS
Hi Ken, please may I have the wiring for this engine, power ground and can bus for Lin network system.
Nov 30, 2025 at 6:43 PM
Repair Safety Notice: This information is for general instructional purposes only. Vehicle repair can be dangerous. Verify all information, follow manufacturer service procedures, use proper tools and safety equipment, and consult a qualified repair shop when needed.
Advertisement
Avatar
AL514
  • AUTOMOTIVE REPAIR CONTRIBUTOR
  • 5,481 POSTS
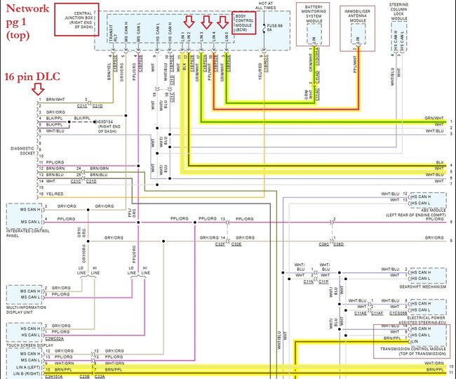
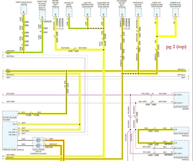
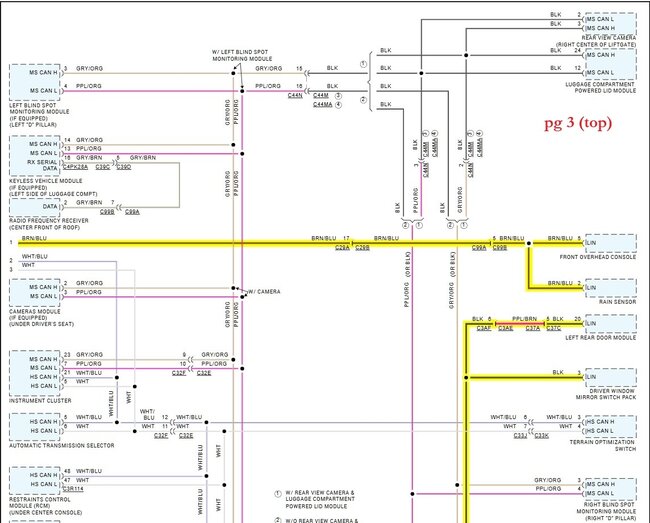
Hello, is there a specific module that is setting the LIN Bus code? A quick look at the network wiring diagrams show there are multiple Lin bus networks for this vehicle. To begin with, Lin Bus is a 1 wire network that is 0-12volt signal, The Body Control Module (BCM) shows 5 Lin Bus networks coming from it. So far I think I count 34 modules on the Lin, but these modules will also talk on other networks as well, depending on how critical they are. Ill get these diagrams ready and highlight all the Lin wires, Theres 3 pages of Network diagrams, so it will take a couple minutes.
Dec 2, 2025 at 6:58 PM
Advertisement
Avatar
ANDRIN ATEM
  • MEMBER
  • 398 POSTS
I will be waiting thank you very much.
Dec 2, 2025 at 7:28 PM
Avatar
AL514
  • AUTOMOTIVE REPAIR CONTRIBUTOR
  • 5,481 POSTS
There is a lot of information here, these are for all the networks in the vehicle. Diagrams 1&2 go together (top/bottom) and so on. I have highlighted all the Lin Bus wires and add some network operations info. Let us know what you find,
Dec 2, 2025 at 7:41 PM
Avatar
AL514
  • AUTOMOTIVE REPAIR CONTRIBUTOR
  • 5,481 POSTS
Would you like a list of all the modules on the High and Medium speed Can Bus? As well as the MOST Bus which is another entertainment network.
Dec 2, 2025 at 7:43 PM
Avatar
AL514
  • AUTOMOTIVE REPAIR CONTRIBUTOR
  • 5,481 POSTS
If needed just let us know, Ill post the rest tomorrow for you.
Dec 2, 2025 at 7:47 PM
Avatar
ANDRIN ATEM
  • MEMBER
  • 398 POSTS
Yes I do need them.
Dec 2, 2025 at 9:29 PM
Avatar
ANDRIN ATEM
  • MEMBER
  • 398 POSTS
Sure I would love to have them. Thanks very much.
Dec 2, 2025 at 9:30 PM
Avatar
AL514
  • AUTOMOTIVE REPAIR CONTRIBUTOR
  • 5,481 POSTS
Ok these are the rest of the modules the vehicle may have. Diagrams 1-4 are all LIN Bus, then the other networks, (High Speed Can, Medium Speed Can, and finally the MOST Bus is the last 2 diagrams. Is there any specific module setting a Lin code? Because this vehicle has a lot of modules, thats for sure.
Dec 3, 2025 at 3:46 PM