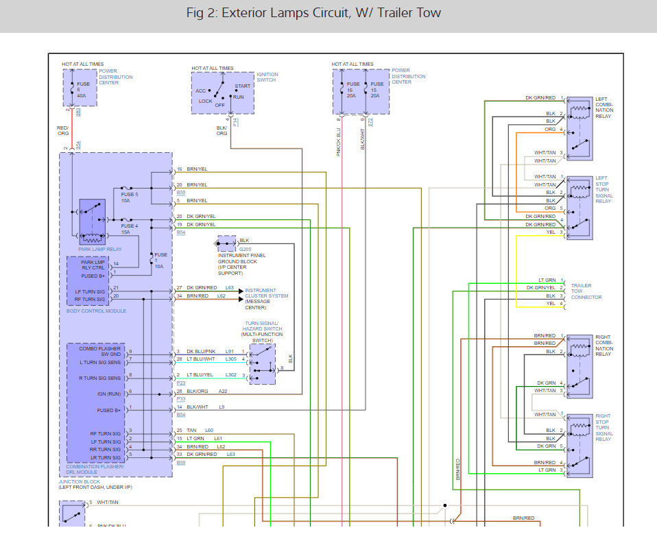
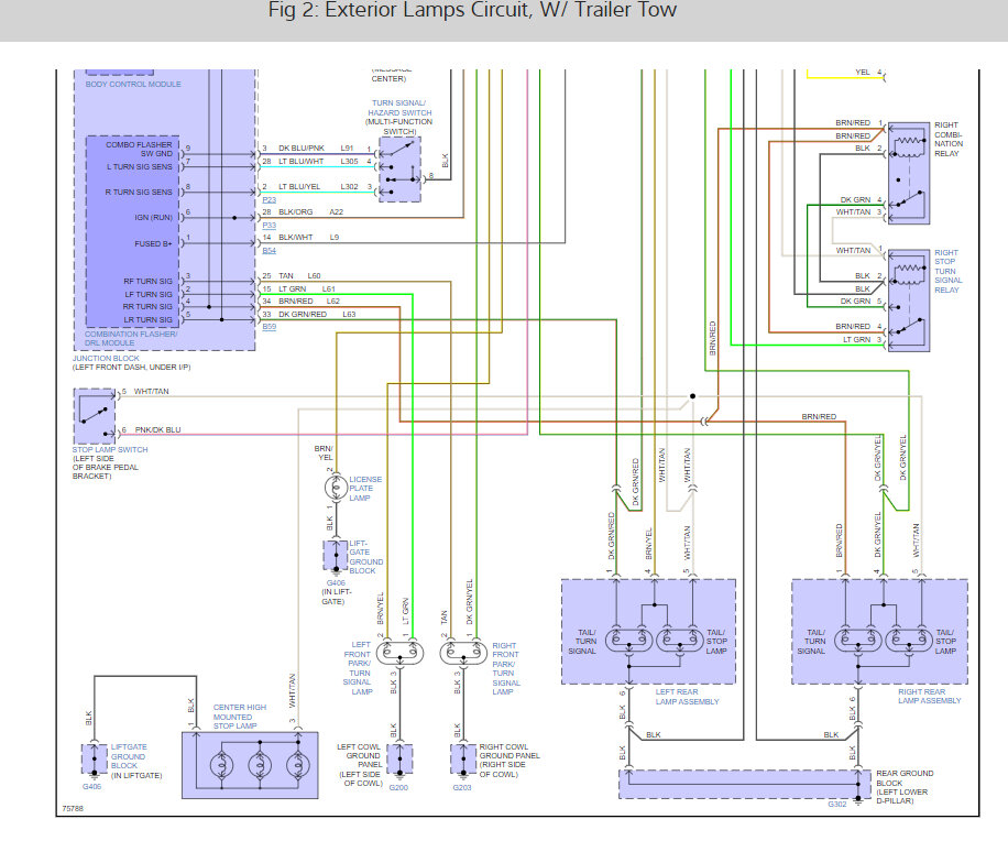
The light switch works only for the headlights and interior lights, but won't work for the park lights, taillights, and panel instrumentation light.
Is the switch broken? How can I test the switch to rule out any problem before replacing it?
Please advise.
Thank you.
Rey
Thursday, February 2nd, 2023 AT 2:38 PM




