Thursday, October 31st, 2024 AT 4:36 PM
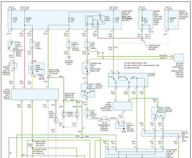
Whenever I go to turn my left turn signal on, it makes rapid clicking noises. However, the light does not actually flash, only if in a specific position usually found by very slightly wiggling it. My right signals turns on just fine and the left one turns on fine with hazards. I tried electronic contact cleaning spray, but it didn’t work. Should I get it checked out or just leave it be? Any and all suggestions helpful!




