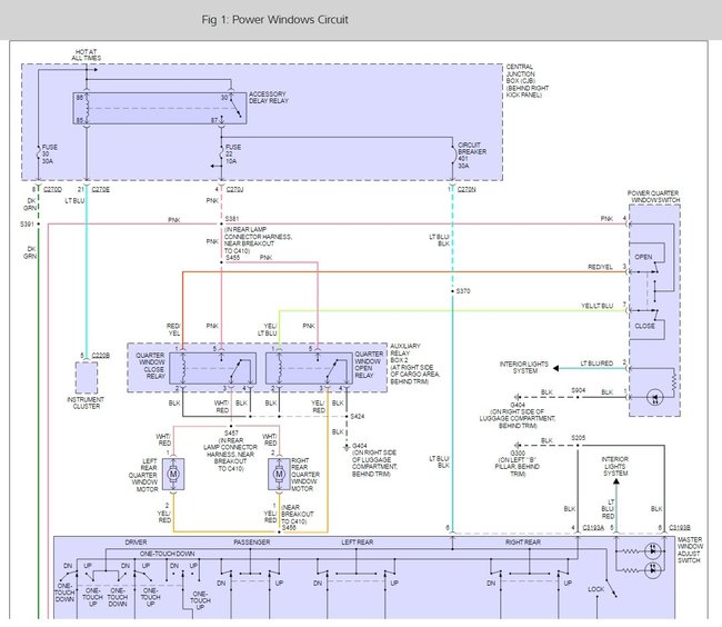
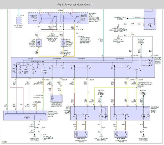
Tuesday, April 11th, 2017 AT 2:41 AM
The rear left vent window on my SUV will not open. The rear right vent window opens, but the left window does not even sound as if there is any power going to it at all. What could be wrong? Is there a way to open them manually? Help! Any and all information will be appreciated!





