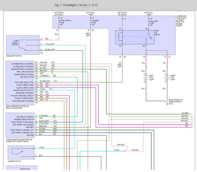
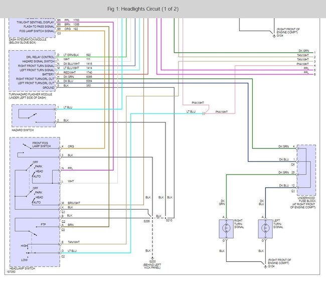
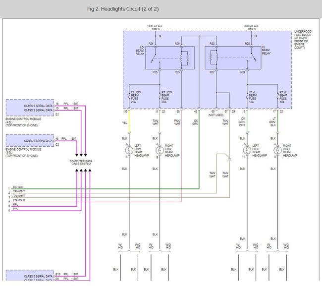
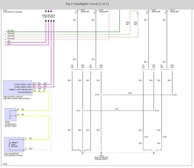
Saturday, July 8th, 2017 AT 11:40 AM
My left headlight and tail light are both out. When I go to put on high beams the other side goes out. I checked all fuses and non are bad. What is this problem and how do I fix it?





