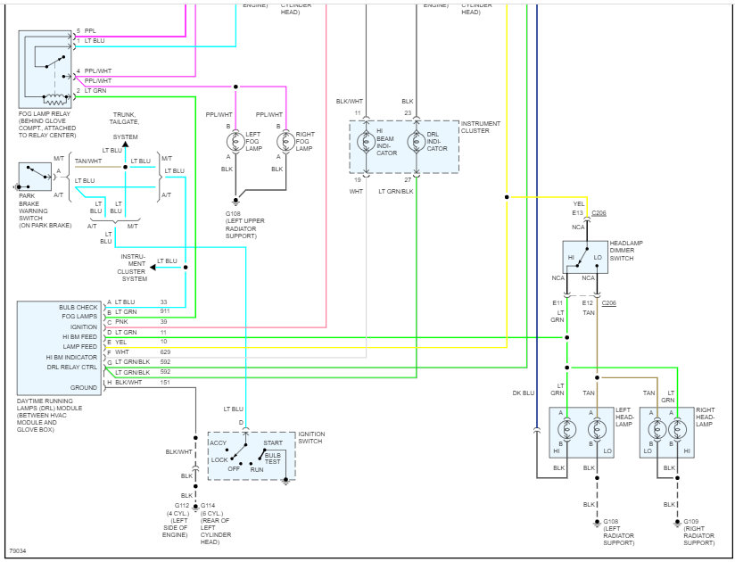
I installed LED’s on my truck. There is no DRL and there is an orange female plug hanging off the three-way plug. I assume they are LED DRL input. If so, am I out of luck, or can you spare a fix of info.
Thanks,
Jim
Saturday, August 20th, 2022 AT 2:56 PM

