I have a 2004 Jeep Grand Cherokee and I need to replace the fan control relay. My problem is that I can not find mine, it is not where the chilton book says it is.
It is not located under the passenger head light, I have the entire front end apart and there is no relay located there. There are holes in the sheet metal where it should be, but it is not there. Is there another hiding place for this relay?
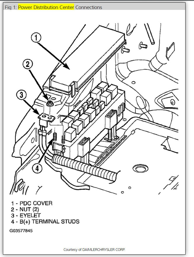
Notice the radiator fan relay control just above the low and high speed fan relays, my fan runs on high from engine start thus not allowing engine to come up to operating temperature. And my MIL is on indicating P01489 and P01490, both of which are talking of this PWM relay. I am sorry for the long question but I have a new control relay that was purchased using my 4.0L engine size.
Monday, November 17th, 2008 AT 1:55 PM





















