Thursday, January 4th, 2007 AT 1:12 AM
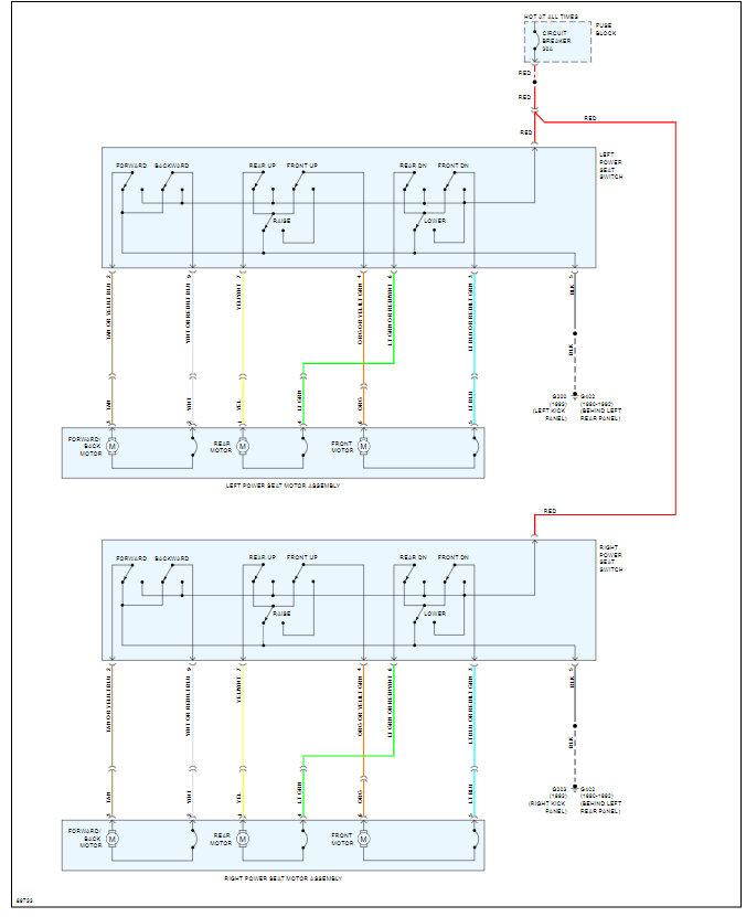
Both power seats in my Cherokee, 127,000 miles, quit working. I cannot find a bad fuse anywhere, the owners manual does not mention power seat fuse, nor does a Chiltons book. I do not have power too the seats, I checked the input wires with a digital meter. As far as I can tell, everything else seems to work. Where does the wiring get its power? I am setting up the Jeep to be towed by my motorhome and I need to adjust the seat for the brake unit.


