Friday, March 31st, 2023 AT 4:44 PM
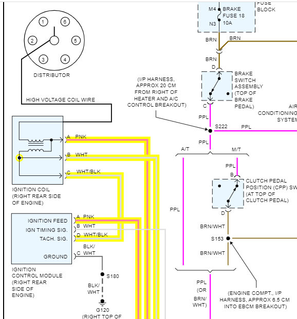
The truck ran fine, had a freeze plug go bad rust ate it up and water was pouring out on ground jacked truck up to work on. Freeze plug and when I finished wanted to test drive and the truck want start crank but know start replaced ignition model coil plugs wires router and cap replaced crank shift sensor and connector to sensor also connector to ignition model in the last time I ask? You said the pink wire to coil should be hot when the key is turned on its not two shops later I had to pull truck back home in I I was told there is a short in the harness somewhere in they were not that kind of shop I guess so I thought I would try it with your help to find the short it way above my pay grade but have no choice I know the wires to brake and turn signal blinkers and horn not responsible witch wire could be responsible for the crank but know start could be the reason I know the pink wire to coil is not hot when you turn key on ran a hot wire from battery to coil in still crank no start in thing you can tell me would be appreciated.



